legines.com
202 INVERTEDIRANI FLARE SPITINGS muški konektor

202 INVERTEDIRANI FLARE SPITINGS muški konektor

Značajke proizvoda:
■■ Sva mjedena konstrukcija
■■ UL naveden za zapaljivu tekućinu i plin
■■ Ispunjava funkcionalne zahtjeve SAE J512
■■ Čelična matica za ekonomiju

Tržišta: Aplikacije:
■■ Klimatizacija ■■ Linije rashladnih sredstava
■■ Morski ■■ Kočnice
■■ Mobilan ■■ Linije za gorivo
■■ Motor

Kompatibilno cijev:
■■ Bakar
■■ Mesing
■■ Aluminij
■■ Zavarene čelične hidrauličke cijevi

Referentni dio br.:
2200 -48ifhd -202 -48W -200

Kontaktirajte nas

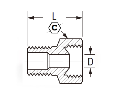
TEHNIČKI PODACI

DIO#

Tube O.D × navoj

C

D

L

202-2a

1/8 × 1/8 13/32 .078 .62

202-3A

3/16 × 1/8 15/32 .125 .70

202-4a

1/4 × 1/8 17/32 .188 .74

202-4b

1/4 × 1/4 9/16 .188 .89

202-5A

5/16 × 1/8 19/32 .219 .79

202-5b

5/16 × 1/4 19/32 .220 .98

202-6A

3/8 × 1/8 3/4 ..281 .89

202-6b

3/8 × 1/4 3/4 .281 1.03

202-6c

3/8 × 3/8 3/4 .281 1.01

202-8b

1/2 × 1/4 29.32 .406 1.08

202-8c

1/2 × 3/8 29/32 .406 1.07

202-8d

1/2 × 1/2 29/32 .406 1.26

202-10d

5/8 × 1/2 1-1/16 .531 1.32

202-12E

3/4 × 3/4 1-1/4 .625 1.39

*Ref.sae br.040102 BA

U mnogim aplikacijama mogu se koristiti invertirani flare. Ovi su okovi konstruirani od mesinga, što osigurava trajnost i otpornost na koroziju. Integrirane brtve O-prstena koriste se za osiguravanje performansi bez propuštanja. SAE pričvršćivanje također ispunjava zahtjeve SAE J512 za sustave pod tlakom.
Nudimo sjajan izbor flare okova, uključujući super dužnu, industrijsku i standardnu rosebud. Naši obrnuti nosači izrađeni su od 100% mesinga, što ih čini idealnim za sve industrijske primjene.
Invertirani flare pričvršćeni su za povezivanje crijeva i cijevi na ventile ili druge uređaje. Sastoje se od stezaljke, cijevi za ugradnju i prstena za zaključavanje. Nareda stezaljke zateže se na cijevi i cijev čvrsto drži na mjestu, a prsten za zaključavanje sprječava da se cijev skine dok je servisira. Sila zatezanja je dovoljno sjajna da se ovi okovi mogu koristiti bez PTFE vrpce, ali još uvijek morate podmazati niti prije sastavljanja.

Kontaktirajte s nama

Oko Legiji

Legins Industrial Machinery Inc.

Kao profesionalni kineski mesingani proizvođači i gurnuti dobavljače na priključci. Prihvaća punu obradu CNC -a i posjeduje područje radionice od 3600 četvornih metara. 45 Automatski strojni alati, 35 poluautomatski CNC strojevi, kao i distributeri, koji su postali važni dobavljači za proizvodnju američkih standardnih dijelova mesinga u Kini ...
  • čast
  • čast

Upute & Vijesti