legines.com
131 čelični invertirani utikač kočnice

131 čelični invertirani utikač kočnice

Značajke proizvoda:
■■ Sva mjedena konstrukcija
■■ UL naveden za zapaljivu tekućinu i plin
■■ Ispunjava funkcionalne zahtjeve SAE J512
■■ Čelična matica za ekonomiju

Tržišta: Aplikacije:
■■ Klimatizacija ■■ Linije rashladnih sredstava
■■ Morski ■■ Kočnice
■■ Mobilan ■■ Linije za gorivo
■■ Motor

Kompatibilno cijev:
■■ Bakar
■■ Mesing
■■ Aluminij
■■ Zavarena čelična hidraulička cijev

Kontaktirajte nas

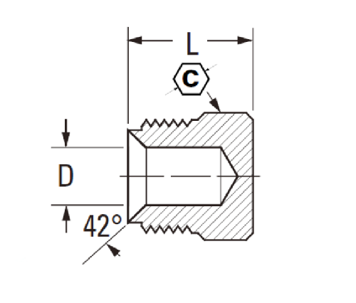
TEHNIČKI PODACI

DIO#

Tube O.D

C

D

L

131-3

3/16 3/8 .188

.53

131-4

1/4 7/16 .188 .54

131-5

5/16 1/2 .250 .59

131-6

3/8 5/8 .312 .66

*Ref.sae br.040109 BA

Naša 131 serija mesinganih invertiranih kočnica dizajnirana je posebno za linije plina i goriva. Invertirani dizajn pruža vezu bez propuštanja u tijesnim aplikacijama.
Čelični čelični čelični utikač je kompatibilan s vatrom ili benzinom kompatibilan, invertirani utikač u stilu ključa dizajniran za brtvljenje krajnjeg završetka fleksibilnih cijevi. Izrađen je od čelika s cinkom za koroziju i integralnog plastičnog umetka koji nudi snagu protiv izobličenja. Dostupno je i s mjedenom konstrukcijom.
Ovaj je proizvod mesingani i čelični čep s invertiranim ugradnjom. Napravljen je da prihvati 1/8 epruvetu. Dimenzija je .53 "promjera prema .54" dubok, ovaj se stil čepa može koristiti samo na bakrenim, čeličnim i aluminijskim cijevima.
Ekonomija je često naziv igre u aplikacijama za kočnice. I nema boljeg načina za uštedu novca od ovog linijskog utikača koji svježi zrak ostavlja izvan vaših linija, a opet izgleda sjajno i trajat će godinama koje dolaze. Sa čeličnom maticom i mesinganom bačvom, ovo će zasigurno zadovoljiti vaše potrebe.

Kontaktirajte s nama

Oko Legiji

Legins Industrial Machinery Inc.

Kao profesionalni kineski mesingani proizvođači i gurnuti dobavljače na priključci. Prihvaća punu obradu CNC -a i posjeduje područje radionice od 3600 četvornih metara. 45 Automatski strojni alati, 35 poluautomatski CNC strojevi, kao i distributeri, koji su postali važni dobavljači za proizvodnju američkih standardnih dijelova mesinga u Kini ...
  • čast
  • čast

Upute & Vijesti