legines.com
100 mesinganog invertiranog matice cijevi

100 mesinganog invertiranog matice cijevi

Značajke proizvoda:
■■ Sva mjedena konstrukcija
■■ UL naveden za zapaljivu tekućinu i plin
■■ Ispunjava funkcionalne zahtjeve SAE J512
■■ Čelična matica za ekonomiju

Tržišta: Aplikacije:
■■ Klimatizacija ■■ Linije rashladnih sredstava
■■ Morski ■■ Kočnice
■■ Mobilan ■■ Linije za gorivo
■■ Motor

Kompatibilno cijev:
■■ Bakar
■■ Mesing
■■ Aluminij
■■ Zavarene čelične hidrauličke cijevi

Referentni dio br.:
2100 41IF -100 -41ib

Kontaktirajte nas

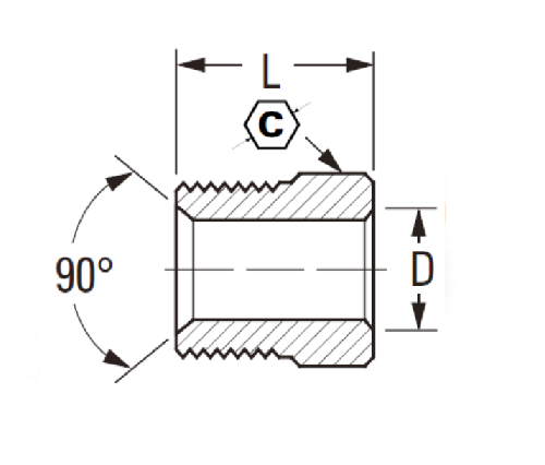
TEHNIČKI PODACI

DIO#

Tube O.D

C

D

L

100-3

3/16 3/8 .196

.56

100-4

1/4 7/16 .259 .56

100-5

5/16 1/2 .321 .62

100-6

3/8 5/8 .384 .66

100-8

1/2

3/4

.508

.74

*Ref.sae br.040110 BA

Čvrsto i ekonomično, ovaj obrnuti bljesak izrađen je od mjedi. Umjeravanje uključuje čeličnu maticu za sigurnost i može se koristiti s bakrenim, mesinganim ili aluminijskim cijevima. Udovoljava svim funkcionalnim zahtjevima SAE J512.
Konstrukcija All-Brasma, 100% ASME B16.28, SAE J512 i SAE J5195.0 Kompresorski priključci dizajnirani su za upotrebu u primjeni pare i vode na visokoj temperaturi. Puše kompatibilnost cijevi, može se povezati s bilo kojom čeličnom cijevi ili cijevi do 1 inča (25 milimetara).
Ova obrnuta matica cijevi za ugradnju, obično poznata kao spojnica, dizajnirana je za povezivanje dva komada cijevi u istoj ravnini. Umjeravanje koristi čeličnu maticu s krajem bljeskova koji se uklapa u ženski bljesak koji se uklapa na drugi kraj cijevi. Ovi se okovi intenzivno koriste u nizu aplikacija od klima uređaja do mornih motora i mobilnih dizela.
Teška dužnost - Ove inverzne flare -ove opreme izrađene su u cijelosti od mesinga i posebno su dizajnirani za upotrebu s bakrenim ili aluminijskim cijevima. Svako je postavljanje potpuno podesivo, a teška gradnja osigurava izdržljivost tijekom upotrebe.

Kontaktirajte s nama

Oko Legiji

Legins Industrial Machinery Inc.

Kao profesionalni kineski mesingani proizvođači i gurnuti dobavljače na priključci. Prihvaća punu obradu CNC -a i posjeduje područje radionice od 3600 četvornih metara. 45 Automatski strojni alati, 35 poluautomatski CNC strojevi, kao i distributeri, koji su postali važni dobavljači za proizvodnju američkih standardnih dijelova mesinga u Kini ...
  • čast
  • čast

Upute & Vijesti