legines.com
105 Uklanjanje matice od čelične cijevi

105 Uklanjanje matice od čelične cijevi

Značajke proizvoda:
■■ Sva mjedena konstrukcija
■■ UL naveden za zapaljivu tekućinu i plin
■■ Ispunjava funkcionalne zahtjeve SAE J512
■■ Čelična matica za ekonomiju

Tržišta: Aplikacije:
■■ Klimatizacija ■■ Linije rashladnih sredstava
■■ Morski ■■ Kočnice
■■ Mobilan ■■ Linije za gorivo
■■ Motor

Kompatibilno cijev:
■■ Bakar
■■ Mesing
■■ Aluminij
■■ Zavarene čelične hidrauličke cijevi

Referentni dio br.:
2015 -411fs -105 -41W

Kontaktirajte nas

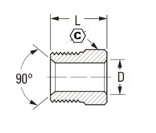
TEHNIČKI PODACI

DIO#

Tube O.D

C

D

L

105-3

3/16 5/16 .196

.56

105-4

1/4 3/8 .259 .56

105-5

5/16 7/16 .321 .62

105-6

3/8 5/8 .384 .66

105-8

1/2

3/4

.508

.74

105-10

5/8

7/8

.632

.80

105-12

3/4

1-1/16

.757

.88

Serija 105 je nisko cijena. Izrađena je od mjedi, a ima značajke zapaljive linije tekućine i plina. Serija 105 uključuje čelične matice za ekonomiju, koji su dostupni u mnogim veličinama. Također se može pohvaliti kompatibilnošću s brojnim cijevima za cijev, uključujući bakar, mjed, aluminij i zavarene čelične hidrauličke cijevi.
Dio br.: 2015 - 411FS - 105 - 41W proizveo je Miller Welder kako bi pomogao da industrijsko i komercijalno okruženje postane sigurnije, učinkovitije i pristupačnije. Dio br.: 2015 - 411FS - 105 - 41W je označen za zapaljive tekućine i plinove. Ovaj je proizvod izrađen od mesinga visokog stupnja koji se neće korodirati ili koristiti.
Umjeravanje matice od 105 čelične cijevi isporučuje dugotrajni proizvod s 1/2 "muškim NPT ugradnjom i 3/8" bljeskalicom. Napravljen je od visokokvalitetne sve mjedljive konstrukcije, susreta ili premaših svih relevantnih kodova ANSI B16.11 i SAE J512. Ovaj je proizvod dizajniran za upotrebu u sljedećim aplikacijama: klima uređaj (uključujući automobilske izmjenične linije), linije rashladnih sredstava i linije ulja rashladnog sredstva, morske, kočne linije, mobilne linije goriva, motori itd.
Ovaj 3/4 "x 3/4" x 8 "čelične matice s maticom koja se uklapa u brtvu za brtve tlaka može vam pomoći da dobijete pouzdanost, izdržljivost i sigurnost koje tražite od svojih industrijskih cijevi za cijev. Tijelo od lijevanog barma i čvrsti mesingani okretni zakretanje čine ovaj dodatni izdržljivi, dok završna čelična matica bez istjecanja pomaže u problemima s korozijom.

Kontaktirajte s nama

Oko Legiji

Legins Industrial Machinery Inc.

Kao profesionalni kineski mesingani proizvođači i gurnuti dobavljače na priključci. Prihvaća punu obradu CNC -a i posjeduje područje radionice od 3600 četvornih metara. 45 Automatski strojni alati, 35 poluautomatski CNC strojevi, kao i distributeri, koji su postali važni dobavljači za proizvodnju američkih standardnih dijelova mesinga u Kini ...
  • čast
  • čast

Upute & Vijesti