legines.com
502 Inverted Flare Union lakat

502 Inverted Flare Union lakat

Značajke proizvoda:
■■ Sva mjedena konstrukcija
■■ UL naveden za zapaljivu tekućinu i plin
■■ Ispunjava funkcionalne zahtjeve SAE J512
■■ Čelična matica za ekonomiju

Tržišta: Aplikacije:
■■ Klimatizacija ■■ Linije rashladnih sredstava
■■ Morski ■■ Kočnice
■■ Mobilan ■■ Linije za gorivo
■■ Motor

Kompatibilno cijev:
■■ Bakar
■■ Mesing
■■ Aluminij
■■ Zavarene čelične hidrauličke cijevi

Referentni dio br.:
502 -450

Kontaktirajte nas

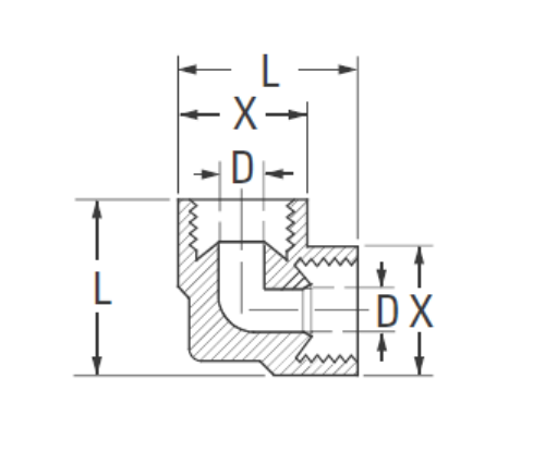
TEHNIČKI PODACI

DIO#

Tube O.D

D

M

L

502-4 1/4 .188 .53 .77
*502-5 5/16 .219 .59 .86
*502-6 3/8 .281 .72 1.04

*Nije standardno

*Ref.sae br.040201 BA

Flare Union Flare Flare 502 je unija Flare -a koja pruža univerzalno kompatibilnu vezu za cijev na nizvodnoj strani dijela. Ima svu mjedenu konstrukciju, UL je naveden za zapaljivu tekućinu i plin, a zadovoljava funkcionalne zahtjeve SAE J512. Čelična matica za ekonomiju Provjerite ref.
Ovaj sindikalni lakat je vodovod koji se koristi u sustavima hlađenja i klima uređaja. Obično je povezana s bakrenim, srebrnim ili mesinganim cijevima. Izbušeni okovi uključuju odvodne rupe kako bi se izbacila kondenzacija iz cijevi. s

Kontaktirajte s nama

Oko Legiji

Legins Industrial Machinery Inc.

Kao profesionalni kineski mesingani proizvođači i gurnuti dobavljače na priključci. Prihvaća punu obradu CNC -a i posjeduje područje radionice od 3600 četvornih metara. 45 Automatski strojni alati, 35 poluautomatski CNC strojevi, kao i distributeri, koji su postali važni dobavljači za proizvodnju američkih standardnih dijelova mesinga u Kini ...
  • čast
  • čast

Upute & Vijesti