legines.com
252 INVERTEDIRANI FLARE ženski adapterski spoj

252 INVERTEDIRANI FLARE ženski adapterski spoj

Značajke proizvoda:
■■ Sva mjedena konstrukcija
■■ UL naveden za zapaljivu tekućinu i plin
■■ Ispunjava funkcionalne zahtjeve SAE J512
■■ Čelična matica za ekonomiju

Tržišta: Aplikacije:
■■ Klimatizacija ■■ Linije rashladnih sredstava
■■ Morski ■■ Kočnice
■■ Mobilan ■■ Linije za gorivo
■■ Motor

Kompatibilno cijev:
■■ Bakar
■■ Mesing
■■ Aluminij
■■ Zavarene čelične hidrauličke cijevi

Referentni dio br.:
461FHD -252 -46W

Kontaktirajte nas

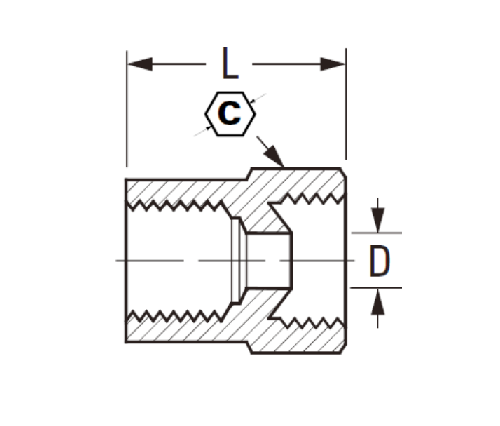
TEHNIČKI PODACI

DIO#

Tube O.D × navoj

C

D

L

252-3a

3/16 × 1/8 15/32 .125 .62

252-4a

1/4 × 1/8 17/32 .188 .62

252-5b

5/16 × 1/4 19/32 .220 .70

252-6b

3/8 × 1/4 3/4 .281 .80

252-8c

1/2 × 3/8 29/32 .406 .91

*Ref.sae br.040103 BA

Ovaj adapter za sviranje ženskog flare ima obrnuti bljesak za uporabu sa standardnim muškim osvjetljenjem. Pruža pouzdano brtvljenje za sprečavanje curenja i odobreno je SAE J512. Čelična matica preporučuje se za ekonomične aplikacije, gdje se trajno ugrađeno ugradnju mora još uvijek ukloniti ili ponovno instalirati u kratkom vremenu.
Pružajući dodatnu svestranost i izdržljivost, serija 252 smjestit će cijevi s vanjskim promjerom 3/16 ", 1/4", 5/16 "i 3/8". To osigurava da je kompatibilan s gotovo svim vašim rezervoarima. Također ćete se impresionirati njegova izdržljiva konstrukcija, osiguravajući dug život bez obzira koliko puta ga koristite.
Ovaj adapter za ugradnju dizajniran je za povezivanje cijevi s crijevima i ventilima. Napravljen od mjedi, ovo uklapanje zadovoljava industrijske standarde i dizajniran je za upotrebu u automobilskim i morskim aplikacijama.
Obrnuti adapter za bljesak ženke je žensko ugradnje koje je kompatibilno sa SAE 1/2 "NPT nitima i cijevima SAE 3/8". Izgrađeni od izdržljivih materijala i dizajnirani za opsežnu upotrebu, ovi su okovi izvrsni za bilo koji dom ili posao. s

Kontaktirajte s nama

Oko Legiji

Legins Industrial Machinery Inc.

Kao profesionalni kineski mesingani proizvođači i gurnuti dobavljače na priključci. Prihvaća punu obradu CNC -a i posjeduje područje radionice od 3600 četvornih metara. 45 Automatski strojni alati, 35 poluautomatski CNC strojevi, kao i distributeri, koji su postali važni dobavljači za proizvodnju američkih standardnih dijelova mesinga u Kini ...
  • čast
  • čast

Upute & Vijesti