legines.com
402 INVERTIRANE FLARE 90 ° mužjaka mužjaka lakat

402 INVERTIRANE FLARE 90 ° mužjaka mužjaka lakat

Značajke proizvoda:
■■ Sva mjedena konstrukcija
■■ UL naveden za zapaljivu tekućinu i plin
■■ Ispunjava funkcionalne zahtjeve SAE J512
■■ Čelična matica za ekonomiju

Tržišta: Aplikacije:
■■ Klimatizacija ■■ Linije rashladnih sredstava
■■ Morski ■■ Kočnice
■■ Mobilan ■■ Linije za gorivo
■■ Motor

Kompatibilno cijev:
■■ Bakar
■■ Mesing
■■ Aluminij
■■ Zavarene čelične hidrauličke cijevi

Referentni dio br.:
4000 -2400 -2491ifhd -2491IF -49W

Kontaktirajte nas

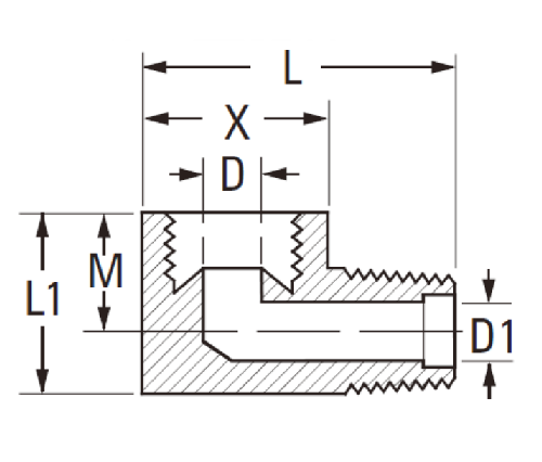
TEHNIČKI PODACI

DIO#

Tube O.D × muški navoj

X

D

L

402-2a

1/8 × 1/8 .42 .078 .80

402-3a

3/16 × 1/8 .47 .125 .70

402-4a

1/4 × 1/8 .53 .188 .74

402-4b

1/4 × 1/4 .56 .188 .89

402-5A

5/16 × 1/8 .59 .219 .79

402-5b

5/16 × 1/4 .59 .220 .98

402-6A

3/8 × 1/8 .76 .281 .89

402-6b

3/8 × 1/4 .76 .281 1.03

402-6c

3/8 × 3/8 .75 .281 1.01

402-8b

1/2 × 1/4 .91 .406 1.08

402-8c

1/2 × 3/8 .92 .406 1.07
402-8d 1/2 × 1/2 .91 .406 1.26
402-10d 5/8 × 1/2 1.06 .531 1.32

*Ref.sae br.040202 BA

Izbačeni 90 ° laktovi omogućuju vam da lako spojite dvije linije pod pravim kutom. Koriste se za promjenu smjera u vodi, klima uređaju i rashladnim sredstvima, kočnim linijama i linijama za gorivo. Konstrukcijske i čelične matice čine ih idealnim za upotrebu sa čeličnim hidrauličkim gumenim crijevom.
Ovaj lakat od 90 ° je sva mjedena konstrukcija, UL navedena za zapaljivu tekućinu i plin, ispunjava funkcionalne zahtjeve SAE J512, 1/8 "x1/8" cijev do 1/2 "x1/2" mužjaka. Čelični orah za ekonomiju koji ispunjava većinu standarda proizvođača automobila OEM.
Ovo je NPT muški lakat koji je ugrađen od mjedenja i koristi se u vodovodu. Ovo uklapanje pruža jeftin način povezivanja cijevi koje su izrađene s različitim materijalima i veličinama. s

Kontaktirajte s nama

Oko Legiji

Legins Industrial Machinery Inc.

Kao profesionalni kineski mesingani proizvođači i gurnuti dobavljače na priključci. Prihvaća punu obradu CNC -a i posjeduje područje radionice od 3600 četvornih metara. 45 Automatski strojni alati, 35 poluautomatski CNC strojevi, kao i distributeri, koji su postali važni dobavljači za proizvodnju američkih standardnih dijelova mesinga u Kini ...
  • čast
  • čast

Upute & Vijesti