legines.com
3400# mesinga

3400# mesinga

Značajke proizvoda: Tržišta:
■■ Sva mjedena konstrukcija ■■ Industrijski
■■ Ispunjava funkcionalne zahtjeve ■■ Konstrukcija
SAE J530 i SAE J531 ■■ Teški kamion
■■ Niti izrađene prema drskim standardima ■■ Mobilan
■■ Dostupni su i oproštaji i ekstruzije ■■ Automatizacija tvornice/procesa

Aplikacije: Kompatibilne cijevi:
■■ Zračne linije ■■ Bakar
■■ Vodena linija ■■ Mesing
■■ Rashladne linije ■■ Željezna cijev

Tehnički podaci:
Raspon tlaka do 1000 psi
Raspon temperature -65 ° do 250 ° F

Tipična primjena:
Mast, goriva, lp i prirodni plin, hlađenje.instrumentacija i hidraulički sustavi

Sukladnost:
Zadovoljava specifikacije i standarde ASA, ASME i SAE.

Referentni dio br.:
2202p -3400 -304 -115 -202 -116a -28156 do 2816

Kontaktirajte nas

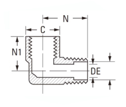
TEHNIČKI PODACI

DIO# Veličina niti C D N N1
3400-AA 1/8 × 1/8 9/16 .219 .66 .47
3400-bb 1/4 × 1/4 11/16 .315 .91 .72
3400-ccm 3/8 × 3/8 13/16 .438 .97 .78
3400 DD 1/2 × 1/2 1 " .562 1.25 1.03
3400-EE 3/4 × 3/4 1-1/4 .750 1.38 1.12

Ref.sae br.130239

3400# mesingane cijevi za cijev 90 stupnjeva ulice lakat izrađen je od svih mjedenih konstrukcija i kompatibilan s i od strane i ekstruzija; Industrijski razredi koji udovoljavaju funkcionalnim zahtjevima SAE J530 i SAE J531; Tržište: gradnja, teški kamion i mobilni. Oba standarda slijede se da rade na mobilnim aplikacijama koje su termoplastične gume (TPR) razvijene su za upotrebu u automobilskim, industrijskim i komercijalnim aplikacijama gdje je CPVC nespojiv. Ovaj zavariji kraj 90 stupnjeva ulice je prikladan za upotrebu u hidrauličkim sustavima, posebno kada radi pod ekstremnim pritiskom. Dostupan je u širokom rasponu veličina i ima izuzetnu otpornost na koroziju. Ovo se uklapa za povezivanje zračnih linija koje se sastoje od bakrenih cijevi. Ima kut od 90 stupnjeva i izrađen je od mjedi, tako da može izdržati oštre vremenske uvjete. s

Kontaktirajte s nama

Oko Legiji

Legins Industrial Machinery Inc.

Kao profesionalni kineski mesingani proizvođači i gurnuti dobavljače na priključci. Prihvaća punu obradu CNC -a i posjeduje područje radionice od 3600 četvornih metara. 45 Automatski strojni alati, 35 poluautomatski CNC strojevi, kao i distributeri, koji su postali važni dobavljači za proizvodnju američkih standardnih dijelova mesinga u Kini ...
  • čast
  • čast

Upute & Vijesti