legines.com
3300# pričvršćivanje cijevi za spajanje

3300# pričvršćivanje cijevi za spajanje

Značajke proizvoda: Tržišta:
■■ Sva mjedena konstrukcija ■■ Industrijski
■■ Ispunjava funkcionalne zahtjeve ■■ Konstrukcija
SAE J530 i SAE J531 ■■ Teški kamion
■■ Niti izrađene prema drskim standardima ■■ Mobilan
■■ Dostupni su i oproštaji i ekstruzije ■■ Automatizacija tvornice/procesa

Aplikacije: Kompatibilne cijevi:
■■ Zračne linije ■■ Bakar
■■ Vodena linija ■■ Mesing
■■ Rashladne linije ■■ Željezna cijev

Tehnički podaci:
Raspon tlaka do 1000 psi
Raspon temperature -65 ° do 250 ° F

Tipična primjena:
Mast, goriva, lp i prirodni plin, hlađenje.instrumentacija i hidraulički sustavi

Sukladnost:
Zadovoljava specifikacije i standarde ASA, ASME i SAE.

Referentni dio br.:
377 -3300 -208p -108 -119b -119ah

Kontaktirajte nas

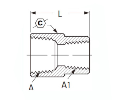
TEHNIČKI PODACI

DIO# Veličina niti C L
3300-BA 1/4 × 1/8 3/4 .97
3300l-ba 1/4 × 1/8 5/8 .83
3300-ca 3/8 × 1/8 7/8 .94
3300-CB 3/8 × 1/4 7/8 1.16
3300L-CB 3/8 × 1/4 13/16 1.00
3300l-da 1/2 × 1/8 15/16 1.19
3300-dB 1/2 × 1/4 1-1/16 1.28
3300l-dB 1/2 × 1/4 15/16 1.11
3300-DC 1/2 × 3/8 1-1/16 1.38
3300l-dc 1/2 × 3/8 15/16 1.19
*3300-ec 3/4 × 3/8 1-3/16 1.19
*3300-ed 3/4 × 1/2 1-3/16 1.19

*Ne na specifikacije

* Ref.sae.no.130138

*L: Svjetlo

FM3300 serije serije za spajanje cijevi za spajanje koriste se za spajanje 2 epruvete različitih promjera u cjevovodnim sustavima, s ravno kroz konfiguraciju. Standardno spajanje SAE za reduktore cijevi s zavarivanjem na muškom kraju i ženskom kraju. Ispunjava funkcionalne zahtjeve SAE J530, SAE J531 i drugih industrijskih aplikacija. Sva mesingana konstrukcija čini ovo prikladnim za aplikacije za teške kamione. Niti izrađene prema Dressial standardima kompatibilne su s bakrenim cijevima i cijevi.
Naše uklapanje izrađeno je od 100% legura i materijala, s mesinganim spojnim krajevima. Ovo uklapanje testirano je na pritisak do 1000 psi. Dolazi u cilindru pod pritiskom sa svim kampovima i okovima.

Kontaktirajte s nama

Oko Legiji

Legins Industrial Machinery Inc.

Kao profesionalni kineski mesingani proizvođači i gurnuti dobavljače na priključci. Prihvaća punu obradu CNC -a i posjeduje područje radionice od 3600 četvornih metara. 45 Automatski strojni alati, 35 poluautomatski CNC strojevi, kao i distributeri, koji su postali važni dobavljači za proizvodnju američkih standardnih dijelova mesinga u Kini ...
  • čast
  • čast

Upute & Vijesti