legines.com
3200# priključci adaptera za proširenje

3200# priključci adaptera za proširenje

Značajke proizvoda: Tržišta:
■■ Sva mjedena konstrukcija ■■ Industrijski
■■ Ispunjava funkcionalne zahtjeve ■■ Konstrukcija
SAE J530 i SAE J531 ■■ Teški kamion
■■ Niti izrađene prema drskim standardima ■■ Mobilan
■■ Dostupni su i oproštaji i ekstruzije ■■ Automatizacija tvornice/procesa

Aplikacije: Kompatibilne cijevi:
■■ Zračne linije ■■ Bakar
■■ Vodena linija ■■ Mesing
■■ Rashladne linije ■■ Željezna cijev

Tehnički podaci:
Raspon tlaka do 1000 psi
Raspon temperature -65 ° do 250 ° F

Tipična primjena:
Mast, goriva, lp i prirodni plin, hlađenje.instrumentacija i hidraulički sustavi

Sukladnost:
Zadovoljava specifikacije i standarde ASA, ASME i SAE.

Referentni dio br.:
375 -222p -3200 -R1 -120AH -120B

Kontaktirajte nas

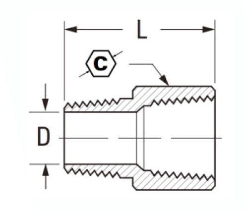
TEHNIČKI PODACI

DIO#

Veličina niti

C

F

L

3200-AA

F1/8 × M1/8

1/2

.219

.88

3200L-AA

F1/8 × M1/8

9/16

.219

.83

3200-BA

F1/4 × M1/8

3/4

.219

1.06

3200l-ba

F1/4 × M1/8

11/16

.219

.94

3200ll-ba

F1/4 × M1/8

5/8

.219

.94

3200-bb

F1/4 × M1/4

3/4

.312

1.25

3200l-bb

F1/4 × M1/4

11/16

.312

1.00

3200ll-bb

F1/4 × M1/4

5/8

.312

1.00

3200-ca

F3/8 × M1/8

7/8

.219

1.00

3200-CB

F3/8 × M1/4

7/8

.312

1.25

3200L-CB

F3/8 × M1/4

13/16

.312

1.12

3200-ccm

F3/8 × M3/8

7/8

.438

1.24

3200L-CC

F3/8 × M3/8

13/16

.438

1.12

3200-dB

F1/2 × M1/4

1-1/16

.312

1.46

3200-DC

F1/2 × M3/8

1-1/16

.438

1.47

3200l-dc

F1/2 × M3/8

15/16

.438

1.19

3200 DD

F1/2 × M1/2

1-1/16

.562

1.66

3200L-DD

F1/2 × M1/2

15/16

.562

1.31

3200-ec

F3/4 × M3/8

1-1/4

.438

1.59

3200-ed

F3/4 × M1/2

1-1/4

.563

1.69

3200-EE

F3/4 × M3/4

1-1/4

.750

1.69

*L: Svjetlo

*Ref.sae br.130139

Primjerice adaptera izrađeni su i od odbora i ekstruzija i kompatibilni sa širokim rasponom cijevi, uključujući zračne linije, vodene linije itd. SAE J530 i SAE J531 niti ispunjavaju funkcionalne zahtjeve tržišta teških kamiona. Kompatibilan s bakrenim i mesinganim cijevima, ovaj proizvod može podnijeti raspon tlaka do 1000 psi. Svi su pričvršćeni u SAD -u. Serija 3200 - Series 200 adapterski priključci RSE -a dizajnirani su za proširenje duljine cijevi. Izdržljiva, sva mjedena konstrukcija čini ove konektore idealnim za industrijsku, kamionsku i mobilnu aplikaciju. Ovi okovi mogu spojiti bilo koju veličinu cijevi od 2 inča i imati raspon tlaka između 500-1000 psi, s temperaturama u rasponu od -65 ° do 250 ° Fahrenheit. Također je dostupan u veličinama od 1/8 ”do 6”. Ugradnja adaptera za dodatak 3200# dizajnirana je za aplikacije s veličinama cijevi od 1/2 do 2 ". Sadrži željeno tijelo izrađeno od bronce koje pruža zaštitu od korozije, tako da se uklapanje može koristiti na različitim razinama tlaka vode. Ženski kraj je navojni i ima tri postavljena vijka. s

Kontaktirajte s nama

Oko Legiji

Legins Industrial Machinery Inc.

Kao profesionalni kineski mesingani proizvođači i gurnuti dobavljače na priključci. Prihvaća punu obradu CNC -a i posjeduje područje radionice od 3600 četvornih metara. 45 Automatski strojni alati, 35 poluautomatski CNC strojevi, kao i distributeri, koji su postali važni dobavljači za proizvodnju američkih standardnih dijelova mesinga u Kini ...
  • čast
  • čast

Upute & Vijesti