legines.com
69# kompresija 90 ° mesingani muški lakat

69# kompresija 90 ° mesingani muški lakat

Prijave: Tržišta:
■■ Zračne linije ■■ Industrijski
■■ Linije podmazivanja ■■ Pakiranje
■■ Rashladne linije ■■ Pneumatski
■■ Industrija ■■ Tiskanje
■■ Strojevi
■■ Kompresori
■■ Prijenos tekućine

Značajke proizvoda:
■■ Ispunjava funkcionalne zahtjeve SAE J-512
■■ UL naveden za zapaljivu tekućinu
■■ Dostupni mesing ili acetalni rukav
■■ Nema pripreme cijevi
■■ Krivotvoreni i ekstrudirani oblici

Referentni dio br.:
69 -169 -S69 -69A

Kontaktirajte nas

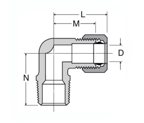
TEHNIČKI PODACI

DIO# Tube o.d*muški nptf N M
69-2a 1/8*1/8 .68 .59
69-3A 3/16*1/8 .68 .62
69-3B 3/16*1/4 .85 .61
69-4A 1/4*1/8 .75 .62
69-4b 1/4*1/4 .91 .65
69-4c 1/4*3/8 .93 .72
69-4d 1/4*1/2 1.11 .82
69-5A 5/16*1/8 .71 .67
69-5b 5/16*1/4 .82 .66
69-5c 5/16*3/8 .93 .81
69-5d 5/16*1/2 1.12 .82
69-6A 3/8*1/8 .72 .72
69-6b 3/8*1/4 .88 .75
69-6c 3/8*3/8 .93 .81
69-6d 3/8*1/2 1.18 .87
69-8b 1/2*1/4 .97 .88
69-8c 1/2*3/8 1.06 .88
69-8d 1/2*1/2 1.13 .94
69-8E 1/2*3/4 1.25 1.16
69-10c 5/8*3/8 1.25 1.06
69-10d 5/8*1/2 1.31 1.06
69-12d 3/4*1/2 1.31 1.19
69-12E 3/4*3/4 1.38 1.19

*Ref.sae br.060202 BA

Naš mesing i acetalni muški lakat od 90 ° dizajniran je prema SAE J-512. Udovoljava funkcionalnim zahtjevima te specifikacije, sa kompresijskim spojem i formiranim krajem. Mesingani ili acetalni rukav ugrađen je u obrađenu prirubnicu koja omogućuje krutost, a ipak omogućuje umetnute cijevi bez pripreme.
90 ° muški mesingani lakat dizajniran je za povezivanje cijevi bez potrebe za pripremom cijevi. Ovo univerzalno ugradnju može se koristiti s drugim sličnim priključcima za stvaranje složenih cjevovodnih sustava koje je lako sastaviti i održavati.

Kontaktirajte s nama

Oko Legiji

Legins Industrial Machinery Inc.

Kao profesionalni kineski mesingani proizvođači i gurnuti dobavljače na priključci. Prihvaća punu obradu CNC -a i posjeduje područje radionice od 3600 četvornih metara. 45 Automatski strojni alati, 35 poluautomatski CNC strojevi, kao i distributeri, koji su postali važni dobavljači za proizvodnju američkih standardnih dijelova mesinga u Kini ...
  • čast
  • čast

Upute & Vijesti