legines.com
64# Brass Union Tee kompresije

64# Brass Union Tee kompresije

Brass Union Tee kompresije 64#

Prijave: Tržišta:
■■ Zračne linije ■■ Industrijski
■■ Linije podmazivanja ■■ Pakiranje
■■ Rashladne linije ■■ Pneumatski
■■ Industrija ■■ Tiskanje
■■ Strojevi
■■ Kompresori
■■ Prijenos tekućine

Značajke proizvoda:
■■ Ispunjava funkcionalne zahtjeve SAE J-512
■■ UL naveden za zapaljivu tekućinu
■■ Dostupni mesing ili acetalni rukav
■■ Nema pripreme cijevi
■■ Krivotvoreni i ekstrudirani oblici

Referentni dio br.:
64 -164c -S64 -64A

Kontaktirajte nas

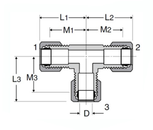
TEHNIČKI PODACI

DIO#

Veličina cijevi O.D

M

M

D

64-2

1/8

/

.53

.94

64-3

3/16

/

.59

.125

64-4

1/4

/

.627

.188

64-5

5/16

/

.65

.250

64-6

3/8

/

.73

.312

64-8

1/2

/

.94

.406

64-10

5/8

/

1.06

.500

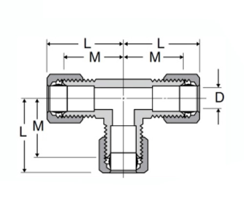
DIO#

Veličina cijevi

M1

M2

M3

64-4-4-6

1/4x1/4x3/8

.69

.69

.75

64-4-6-4

1/4x3/8x1/4

.69

.75

.69

64-6-6-4

3/8x3/8x1/4

.75

.75

.69

64-8-8-6

1/2x1/2x3/8

.94

.94

.81

64-10-10-8

5/8x5/8x1/2

1.06

1.06

1.06

*Ref.sae br.060401 BA

Naši kompresivni priključci od 64 Brasin Union TEE navedeni su za zapaljive tekućine i udovoljavaju funkcionalnim zahtjevima SAE J-512. Dostupni u krivotvorenim ili ekstrudiranim oblicima, dostupni su i s obrađenim i utikanim nitima i u mesinganom ili acetalnom rukavu. Dostupne s mjedenim ili acetalnim rukavima, sve su komponente dizajnirane za jednostavnu instalaciju, tako da vaša instalacija ide glatko.

Kontaktirajte s nama

Oko Legiji

Legins Industrial Machinery Inc.

Kao profesionalni kineski mesingani proizvođači i gurnuti dobavljače na priključci. Prihvaća punu obradu CNC -a i posjeduje područje radionice od 3600 četvornih metara. 45 Automatski strojni alati, 35 poluautomatski CNC strojevi, kao i distributeri, koji su postali važni dobavljači za proizvodnju američkih standardnih dijelova mesinga u Kini ...
  • čast
  • čast

Upute & Vijesti