legines.com
65# 90 ° muški sindikalni spoj za kompresiju lakata

65# 90 ° muški sindikalni spoj za kompresiju lakata

Prijave: Tržišta:
■■ Zračne linije ■■ Industrijski
■■ Linije podmazivanja ■■ Pakiranje
■■ Rashladne linije ■■ Pneumatski
■■ Industrija ■■ Tiskanje
■■ Strojevi
■■ Kompresori
■■ Prijenos tekućine

Značajke proizvoda:
■■ Ispunjava funkcionalne zahtjeve SAE J-512
■■ UL naveden za zapaljivu tekućinu
■■ Dostupni mesing ili acetalni rukav
■■ Nema pripreme cijevi
■■ Krivotvoreni i ekstrudirani oblici

Referentni dio br.:
65 -265 -65a -S65

Kontaktirajte nas

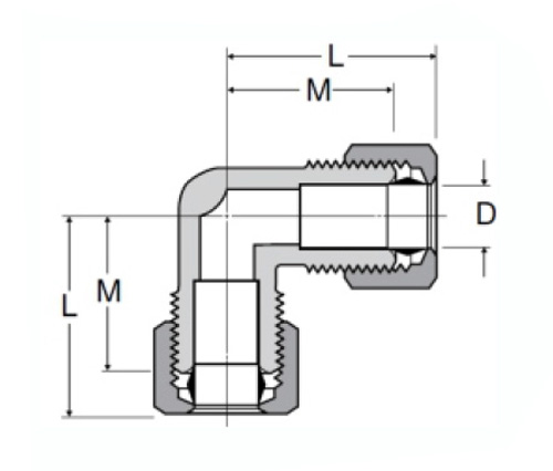
TEHNIČKI PODACI

PRT# Veličina cijevi O.D M D
65-3 3/16 .61 .125
65-4 1/4 .66 .188
65-5 5/16 .69 .250
65-6 3/8 .72 .312
65-8 1/2 .94 .406
65-10 5/8 1.06 .500
65-12 3/4 1.19 .562
65-6-4 3/8x1/4 .75/.69 .125
65-8-6 1/2x3/8 .94/.88 .312

Do 6 puta lakši od kovanih okova, serija 65 ima lagano i korozijsko-rezistentno tijelo ili mesingano tijelo i kovano mesingano središte. Ovo uklapanje omogućuje vam prilagođavanje kraja cijevi pod kutom od 90 stupnjeva. Ovaj je dopadnjak dostupan u više materijala i završnih obrada, uključujući mjed, nehrđajući čelik i acetal. Svako je ugradnje utisnuto brojem dijela, osiguravajući jednostavnu identifikaciju na svim točkama u lancu opskrbe. Ovaj podsklop lakta obično se koristi u sustavima goriva gdje se preporučuju bakrena cijev do bakrene cijevi. Broj niti potrebnih za uspostavljanje veze može varirati ovisno o materijalu cijevi, debljine stijenke i na nizu.

Kontaktirajte s nama

Oko Legiji

Legins Industrial Machinery Inc.

Kao profesionalni kineski mesingani proizvođači i gurnuti dobavljače na priključci. Prihvaća punu obradu CNC -a i posjeduje područje radionice od 3600 četvornih metara. 45 Automatski strojni alati, 35 poluautomatski CNC strojevi, kao i distributeri, koji su postali važni dobavljači za proizvodnju američkih standardnih dijelova mesinga u Kini ...
  • čast
  • čast

Upute & Vijesti