legines.com
79# Kompresijski pričvršćeni mesing 45 ° muški lakat

79# Kompresijski pričvršćeni mesing 45 ° muški lakat

Mesing 45 ° kompresije mužjaka lakata 79#

Prijave: Tržišta:
■■ Zračne linije ■■ Industrijski
■■ Linije podmazivanja ■■ Pakiranje
■■ Rashladne linije ■■ Pneumatski
■■ Industrija ■■ Tiskanje
■■ Strojevi
■■ Kompresori
■■ Prijenos tekućine

Značajke proizvoda:
■■ Ispunjava funkcionalne zahtjeve SAE J-512
■■ UL naveden za zapaljivu tekućinu
■■ Dostupni mesing ili acetalni rukav
■■ Nema pripreme cijevi
■■ Krivotvoreni i ekstrudirani oblici

Referentni dio br.:
273 -179c -74 -77 -6945

Kontaktirajte nas

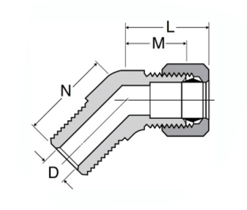
TEHNIČKI PODACI

DIO#

Tube O.D × muški nptf

N

M

D

79-3A

3/16 × 1/8

.61

.43

.125

79-4A

1/4 × 1/8

.61

.43

.189

79-4b

1/4 × 1/4

.83

.59

.189

79-5A

5/16 × 1/8

.66

.66

.234

79-5b

5/16 × 1/4

.83

.66

.250

79-6A

3/8 × 1/8

.66

.62

.312

79-6b

3/8 × 1/4

.83

.62

.312

79-6c

3/8 × 3/8

.88

.75

.312

79-8c

1/2 × 3/8

.94

.75

.406

79-8d

1/2 × 1/2

1.13

.94

.406

*Ref.sae br.060302 BA

Kompresijski pričvršćeni su mesing i sastavljeni s kompresijskim ferulom i maticom. Kovani, ekstrudirani mangeli pružaju snagu u svim smjerovima za trajnu instalaciju.
Ovi kompresijski priključci savršeni su za vodovodne cijevi s glatkim, standardnim i ruševim krajevima. Također se koriste kao priključni cijevi u mnogim različitim industrijama, uključujući komercijalne, industrijske, automobilske i morske aplikacije.

Kontaktirajte s nama

Oko Legiji

Legins Industrial Machinery Inc.

Kao profesionalni kineski mesingani proizvođači i gurnuti dobavljače na priključci. Prihvaća punu obradu CNC -a i posjeduje područje radionice od 3600 četvornih metara. 45 Automatski strojni alati, 35 poluautomatski CNC strojevi, kao i distributeri, koji su postali važni dobavljači za proizvodnju američkih standardnih dijelova mesinga u Kini ...
  • čast
  • čast

Upute & Vijesti