legines.com
Šesterokuta od nehrđajućeg čelika 2530

Šesterokuta od nehrđajućeg čelika 2530

Šesterokutasti šesterokutni zavodnici od nehrđajućeg čelika uklapaju se na niti s muškim naklonima na nacionalnoj cijevi (NPT) i ženskim NPT nitima iznutra za spajanje dvije cijevi različitih veličina. Ima NPT niti za stvaranje čvršćeg brtve od ravnih niti i šesterokutne glave za povećane poluge i upotrebu s ključem tijekom ugradnje i rastavljanja. Ova je čaša izrađena od čelika i ima pocinčanu završnu obradu kako bi se osigurala veća otpornost na hrđe od željeza i može se koristiti za primjenu vode, pare i zraka. Šesterokuta klase 150 ispunjava specifikacije ASTM A53 i ASME B 1.20.1 za osiguranje kvalitete. Klasa je standard koji se odnosi na toleranciju, konstrukciju, dimenziju i debljinu stijenke, ali nije izravno mjerenje maksimalnog radnog tlaka.

Tipična primjena:
Mast, hlađenje, instrumenti i hidraulički sustavi.busko

Prednosti:
DrySeal cijevi navoja (BSPT (R)/BSP (G). Veliki raspon veličina i konfiguracije

Kontaktirajte nas

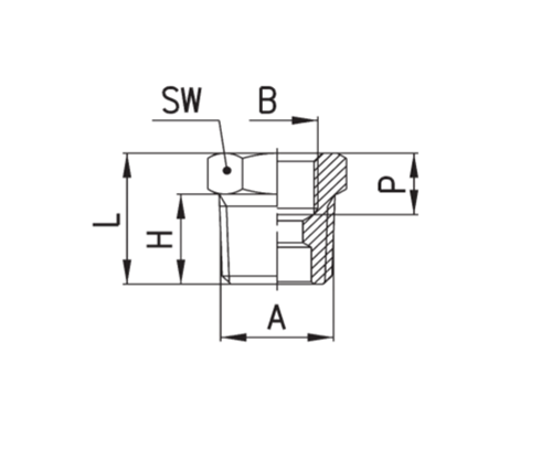
TEHNIČKI PODACI

DIO#

Veličina navoja A × B

S.W

L

H

2350-BA

R1/4 × G1/8 14 16.0 11

2350-ca

R3/8 × G1/8 17 16.5 11.5

2350-cb

R3/8 × G1/4 17 19.5 11.5

2350-dB

R1/2 × G1/4 22 19.5 14.0

2350-DC

R1/2 × G3/8 22 19.5 15.0

2350-EC

R3/4 × G3/8 22 23.0 16.5

2350-ed

R3/4 × G1/2 27 23.5 16.5

2350-HD

R1 "× G1/2 34 27.0 19.0

Ima pocinčanu završnu obradu za pružanje veće otpornosti hrđe od željeza i može se koristiti za primjenu vode, pare i zraka. Ova čahura izrađena je od čelika i ima šesterokutnu glavu za povećane poluge i upotrebu s ključem tijekom ugradnje i rastavljanja. Također ima NPT niti za stvaranje čvršćeg brtve od ravnih niti i može se koristiti za povezivanje dvije cijevi različitih veličina.

Kontaktirajte s nama

Oko Legiji

Legins Industrial Machinery Inc.

Kao profesionalni kineski mesingani proizvođači i gurnuti dobavljače na priključci. Prihvaća punu obradu CNC -a i posjeduje područje radionice od 3600 četvornih metara. 45 Automatski strojni alati, 35 poluautomatski CNC strojevi, kao i distributeri, koji su postali važni dobavljači za proizvodnju američkih standardnih dijelova mesinga u Kini ...
  • čast
  • čast

Upute & Vijesti