legines.com
Niklava smanjena bradavica 2501

Niklava smanjena bradavica 2501

Niklava bradavica za spajanje dvije cijevi ili okova navojne i produžene duljine cijevi
-Male NPT niti za povezivanje s ženskim navojnim cijevima
-Eksagonalni srednji dio za stezanje ključa
-Brasa za otpornost na koroziju, duktilnost na visokim temperaturama i niska magnetska propusnost

Tipična primjena:
Mast, hlađenje, instrumenti i hidraulički sustavi.busko

Prednosti:
DrySeal cijevi navoja (BSPT (R)/BSP (G). Veliki raspon veličina i konfiguracije

Kontaktirajte nas

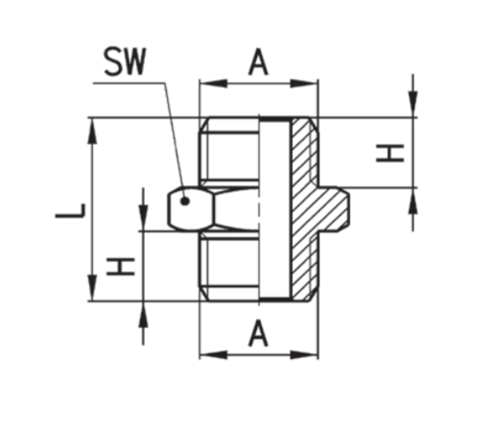
TEHNIČKI PODACI

DIO#

Veličina nit a

S.W

L

H

2501-m5

M5

8

11.5

4.0

2501-A

G1/8

13

16.5

6.0

2501-b

G1/4

17

21.0

8.0

2501-c

G3/8

19

23.0

9.0

2501-d

G1/2

24

25.5

10.0

Kontaktirajte s nama

Oko Legiji

Legins Industrial Machinery Inc.

Kao profesionalni kineski mesingani proizvođači i gurnuti dobavljače na priključci. Prihvaća punu obradu CNC -a i posjeduje područje radionice od 3600 četvornih metara. 45 Automatski strojni alati, 35 poluautomatski CNC strojevi, kao i distributeri, koji su postali važni dobavljači za proizvodnju američkih standardnih dijelova mesinga u Kini ...
  • čast
  • čast

Upute & Vijesti