legines.com
Čelični setovi za smanjenje bradavica 2510

Čelični setovi za smanjenje bradavica 2510

Uključite:
Smanjivanje šesterokutne bradavice: 1 PC;
Smanjenje adaptera: 1 PC;

Priključci cijevi su komponente koje se koriste za povezivanje, završavanje, kontrolu protoka i promjenu smjera cjevovoda u mnogim različitim industrijama. Prilikom kupnje cijevi za cijev razmislite o primjeni, jer će to utjecati na vrstu materijala, oblik, veličinu i potrebnu trajnost. Priključci su dostupni navojnim ili neobjavljenim, u mnogim oblicima, stilovima, veličinama i rasporedima (debljina stijenke cijevi).

Tipična primjena:
Mast, hlađenje, instrumenti i hidraulički sustavi.busko

Prednosti:
DrySeal cijevi navoja (BSPT (R)/BSP (G). Veliki raspon veličina i konfiguracije

Kontaktirajte nas

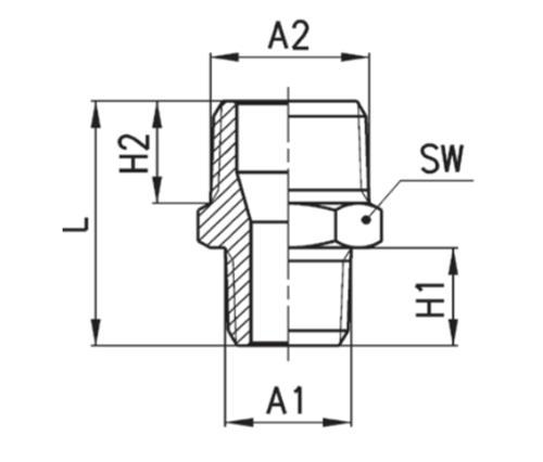
TEHNIČKI PODACI

DIO#

Veličina navoja A1 × A2

S.W

L

H

2510-Ab

R1/8 × R1/4

14

23.5

7.5

2510-AC

R1/8 × 3/8 17 24.0 7.5

2510-bc

R1/4 × R3/8

17

27.5

11.0

2510-BD

R1/4 × R1/2

22

30.5

11.0

2510-CD

R3/8 × R1.2

22

31.0

11.5

2510-de

R1/2 × R3/4

27

37.5

14.0

Kontaktirajte s nama

Oko Legiji

Legins Industrial Machinery Inc.

Kao profesionalni kineski mesingani proizvođači i gurnuti dobavljače na priključci. Prihvaća punu obradu CNC -a i posjeduje područje radionice od 3600 četvornih metara. 45 Automatski strojni alati, 35 poluautomatski CNC strojevi, kao i distributeri, koji su postali važni dobavljači za proizvodnju američkih standardnih dijelova mesinga u Kini ...
  • čast
  • čast

Upute & Vijesti