legines.com
1570 D.O.T 90 ° lakatni adapter

1570 D.O.T 90 ° lakatni adapter

Značajke proizvoda:
■■ Mesinga
■■ Buna n o-prsten
■■ Nosač cijevi od nehrđajućeg čelika
■■ Upoznaje D.O.T. FMVSSS571.106
■■ Upoznaje Sae J2494 & Sae J2494-3

Tržišta:
■■ Teški kamion
■■ Prikolica
■■ Mobilan

Prijave:
■■ Zračne kočnice
■■ Tenkovi za zrak
■■ Vožnja zrakom
■■ Klizači
■■ Inflacija guma
■■ Primarne i sekundarne linije

Kompatibilno cijev:
■■ SAE J844 Tip A&B najlon cijevi

Referentni dio br.:
AQ70DOT -170PMT -1870 -DQ70DOT -1570DOT

Kontaktirajte nas

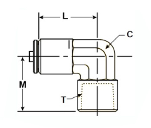
TEHNIČKI PODACI

DIO#

Cijev o.d × femlae nptf

C

M

L

1570-dot-4a

1/4 × 1/8

3/8

.82

.92

1570-dot-4b

1/4 × 1/4

1/2

.94

.102

1570-dot-4c

1/4 × 3/8

5/8

.98

1.11

1570-dot-6b

3/8 × 1/4

1/2

.94

.96

1570-dot-6c

3/8 × 3/8

5/8

.91

.98

1570-dot-8d

1/2 × 1/2

5/8

1.21

1.14

Adapter SAE J1570 dot 90 ° lakat sadrži mesinganski kolekt i o-prsten za bunu N tipa za pričvršćivanje bez propuštanja i jednostavnu instalaciju, dok nosač cijevi od nehrđajućeg čelika osigurava izdržljivost. Upoznaje D.O.T. Zahtjevi, ispunjavanje FMVSSS571.106, SAE J2494 & SAE J2494-3 Specifikacije za upotrebu sa SAE J844 Tip A & B najlonskim cijevima u teškim kamionima, prikolici i mobilnim aplikacijama. Ova je 90 ° mjedeni adapter za lakat od dva dijela zraka od 3/16 SAE. Dizajn niskog profila ovog adaptera omogućava mu da se uklopi u uske prostore, a još uvijek je dovoljno jak da zadovoljava točke specifikacije. Ovaj mesingani lakat dizajniran je tako da bude ugrađen na kraj vaših zračnih linija, omogućavajući im da okrenu uglove na uskim mjestima. Izrađen je od materijala otpornih na koroziju i sadrži cijev za potporu od nehrđajućeg čelika koja je čvrsta.

Kontaktirajte s nama

Oko Legiji

Legins Industrial Machinery Inc.

Kao profesionalni kineski mesingani proizvođači i gurnuti dobavljače na priključci. Prihvaća punu obradu CNC -a i posjeduje područje radionice od 3600 četvornih metara. 45 Automatski strojni alati, 35 poluautomatski CNC strojevi, kao i distributeri, koji su postali važni dobavljači za proizvodnju američkih standardnih dijelova mesinga u Kini ...
  • čast
  • čast

Upute & Vijesti