legines.com
1565 Push in Connect Fittings lakat

1565 Push in Connect Fittings lakat

Značajke proizvoda:
■■ Mesinga
■■ Buna n o-prsten
■■ Nosač cijevi od nehrđajućeg čelika
■■ Upoznaje D.O.T. FMVSSS571.106
■■ Upoznaje Sae J2494 & Sae J2494-3

Tržišta:
■■ Teški kamion
■■ Prikolica
■■ Mobilan

Prijave:
■■ Zračne kočnice
■■ Tenkovi za zrak
■■ Vožnja zrakom
■■ Klizači
■■ Inflacija guma
■■ Primarne i sekundarne linije

Kompatibilno cijev:
■■ SAE J844 Tip A&B najlon cijevi

Referentni dio br.:
AQ65DOT -165pmt -1865 -DQ65DOT -1565 -DOT

Kontaktirajte nas

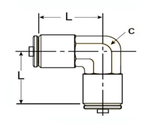
TEHNIČKI PODACI

DIO# Tube O.D C L
1565-DOT-4 1/4 3/8 .92
1565-DOT-6 3/8 1/2 .96
1565-DOT-8 1/2 5/8 1.16
1565-dot-10 5/8 11/16 1.19
1565-dot-12 3/4 15/16 1.40

Pritisnite se za SAE J844 tip A, B, C i D najlonske cijevi. Koristi se s nosačima od buna O-prstena i nosačima od nehrđajućeg čelika kako bi se omogućila sigurna ugradnja crijeva poput zračnih kočnica, linija servo upravljača i još mnogo toga. Umjeravanje se proizvodi s visokokvalitetnim materijalima kako bi se osigurala pravilna funkcionalnost i dug vijek trajanja.1565 PUST U CONCENTING FITTINGS Lakat je ugradnje s gumenim cijevima. Ima mesinganski kolekt. Ovo ugradnja proizvodi Tusa P/N: 1565-DOT.PNEUMATSKI CONNECIJSKI KONCIJSKI KONEKTIVANJE UKLJUČENO SA CIJEVIMA za stvaranje stalnog ili privremenog sklopa bez barijera koji koristi standardne pneumatske komponente.

Kontaktirajte s nama

Oko Legiji

Legins Industrial Machinery Inc.

Kao profesionalni kineski mesingani proizvođači i gurnuti dobavljače na priključci. Prihvaća punu obradu CNC -a i posjeduje područje radionice od 3600 četvornih metara. 45 Automatski strojni alati, 35 poluautomatski CNC strojevi, kao i distributeri, koji su postali važni dobavljači za proizvodnju američkih standardnih dijelova mesinga u Kini ...
  • čast
  • čast

Upute & Vijesti