legines.com
3750# mesingani okovi mužjaci run tee mesingane cijevi

3750# mesingani okovi mužjaci run tee mesingane cijevi

Značajke proizvoda: Tržišta:
■■ Sva mjedena konstrukcija ■■ Industrijski
■■ Ispunjava funkcionalne zahtjeve ■■ Konstrukcija
SAE J530 i SAE J531 ■■ Teški kamion
■■ Niti izrađene prema drskim standardima ■■ Mobilan
■■ Dostupni su i oproštaji i ekstruzije ■■ Automatizacija tvornice/procesa

Aplikacije: Kompatibilne cijevi:
■■ Zračne linije ■■ Bakar
■■ Vodena linija ■■ Mesing
■■ Rashladne linije ■■ Željezna cijev

Tehnički podaci:
Raspon tlaka do 1000 psi
Raspon temperature -65 ° do 250 ° F

Tipična primjena:
Mast, goriva, lp i prirodni plin, hlađenje.instrumentacija i hidraulički sustavi

Sukladnost:
Zadovoljava specifikacije i standarde ASA, ASME i SAE.

Referentni dio br.:
2225p -225 -3750 -326 -225 -127A -28245 ~ 28249

Kontaktirajte nas

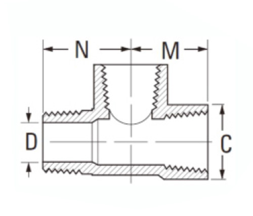
TEHNIČKI PODACI

DIO#

Veličina niti

C

D

M

N

3750-A

1/8

9/16

.219

.55

.66

3750-B

1/4

11/16

.312

.78

.90

3750-C

3/8

13/16

.438

.84

.97

3750-D

1/2

1 "

.562

1.09

1.25

3750-E

3/4

1 "-1/4

.750

1.38

1.38

*Ref.sae.no.130424

#3750 muški pokretni priključci proizvode se od mjedi i zadovoljavaju potrebe industrijske, tvorničke/procesne automatizacije i mobilnih aplikacija. Oni pružaju vezu za zračne linije pod pritiskom. Kompatibilne cijevi dostupne su u bakrenoj, mesinganoj i željeznoj cijevi. Tržišta uključuju građevinske, industrijske i teške tržišta kamiona. Kompatibilni materijali uključuju zračne linije, vodene linije i hladne linije. Ovi mesingani okovi dolaze u muško i žensko radi vaše udobnosti. Materijali su dovoljno jaki da se usprave za curenje i silu, što ih čini idealnim za bilo koje vremensko stanje.  Svako se uklapa u bakrene cijevi, mesinga i drugim kvalitetnim materijalima koji u komad donose snagu, izdržljivost i dugovječnost.

Kontaktirajte s nama

Oko Legiji

Legins Industrial Machinery Inc.

Kao profesionalni kineski mesingani proizvođači i gurnuti dobavljače na priključci. Prihvaća punu obradu CNC -a i posjeduje područje radionice od 3600 četvornih metara. 45 Automatski strojni alati, 35 poluautomatski CNC strojevi, kao i distributeri, koji su postali važni dobavljači za proizvodnju američkih standardnih dijelova mesinga u Kini ...
  • čast
  • čast

Upute & Vijesti