legines.com
3500# mesingani pričvršćivanja 90 stupnjeva cijevi za lakat

3500# mesingani pričvršćivanja 90 stupnjeva cijevi za lakat

Značajke proizvoda: Tržišta:
■■ Sva mjedena konstrukcija ■■ Industrijski
■■ Ispunjava funkcionalne zahtjeve ■■ Konstrukcija
SAE J530 i SAE J531 ■■ Teški kamion
■■ Niti izrađene prema drskim standardima ■■ Mobilan
■■ Dostupni su i oproštaji i ekstruzije ■■ Automatizacija tvornice/procesa

Aplikacije: Kompatibilne cijevi:
■■ Zračne linije ■■ Bakar
■■ Vodena linija ■■ Mesing
■■ Rashladne linije ■■ Željezna cijev

Tehnički podaci:
Raspon tlaka do 1000 psi
Raspon temperature -65 ° do 250 ° F

Tipična primjena:
Mast, goriva, lp i prirodni plin, hlađenje.instrumentacija i hidraulički sustavi

Sukladnost:
Zadovoljava specifikacije i standarde ASA, ASME i SAE.

Referentni dio br.:
2200p -3500 -302 -200 -28001 do 28005 -100

Kontaktirajte nas

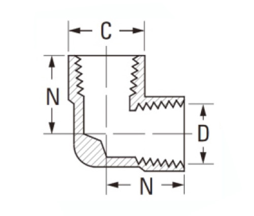
TEHNIČKI PODACI

DIO# Veličina niti C D N N
3500-A 1/8 × 1/8 9/16 .219 .66 .47
3500-b 1/4 × 1/4 11/16 .315 .91 .72
3500-c 3/8 × 3/8 13/16 .438 .97 .78
3500-D 1/2 × 1/2 1 " .562 1.25 1.03
3500-E 3/4 × 3/4 1 "-1/4 .750 1.38 1.12

Ref.sae br.130238

Napravljeni od mjedi, naši laktovi od 90 stupnjeva proizvedeni su kako bi zadovoljili potrebe industrijskih i građevinskih aplikacija. Kovani mesing je izdržljiviji, tvrđi i manja je vjerojatnost da će se saviti od ekstrudiranih proizvoda. Naši brončani okovi također imaju bolji otpor na udarce i vibracije. Nudimo i krivotvorene i ekstrudirane cijevi za projekte u svim industrijskim aplikacijama, uključujući zračne linije, vodene linije, hladne linije i još mnogo toga. Mesingani priključci izrađuju se s najkvalitetnijim standardima. Od postupka kovanja do navoja i završne obrade, svaka se faza provjerava preciznim alatima. Ovi okovi udovoljavaju funkcionalnim zahtjevima SAE J530 i SAE J531, dok su kompatibilni sa SAE Standard SAE J514 i ASME B16.21. Naši laktovi od 90 stupnjeva proizvode se od visokokvalitetnog mesinga, pružajući snažnu i izdržljivu strukturu. Nudimo i opcije ugradnje tvornice i kamiona s dvije različite konfiguracije Barb kako bi se prilagodile velikim veličinama cijevi provrta. Bez obzira tražite li zamjenu ili želite nadograditi svoj sustav, hindi Crouse mogu pomoći.

Kontaktirajte s nama

Oko Legiji

Legins Industrial Machinery Inc.

Kao profesionalni kineski mesingani proizvođači i gurnuti dobavljače na priključci. Prihvaća punu obradu CNC -a i posjeduje područje radionice od 3600 četvornih metara. 45 Automatski strojni alati, 35 poluautomatski CNC strojevi, kao i distributeri, koji su postali važni dobavljači za proizvodnju američkih standardnih dijelova mesinga u Kini ...
  • čast
  • čast

Upute & Vijesti