legines.com
146SV crijevo za okretanje 45 ° žensko bljesak

146SV crijevo za okretanje 45 ° žensko bljesak

Značajke proizvoda:
■■ Sva mjedena konstrukcija
■■ Fluorokarbonski o-prstenovi
■■ NPTF, SAE ravna navoj, metrički navojni završeci
■■ Za višekratnu upotrebu
■■ Potrebna stezaljka

Tržišta:
■■ Industrijski
■■ Konstrukcija
■■ Teški kamion
■■ Mobilan

Kompatibilno cijev:
■■ Gumeno crijevo
■■ GPH crijevo

Referentni dio br.:
146hblfsv -144 -FSS -128

Kontaktirajte nas

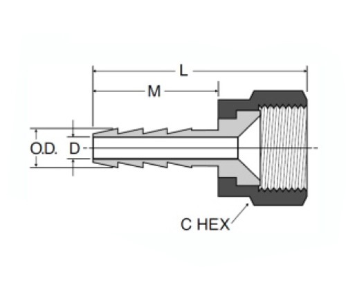
TEHNIČKI PODACI

DIO#

Crijevo i.d × ženski bljesak

C

D

M

L

*146SV-4-4

1/4 × 7/16-20

9/16

.187

.97

1.55

*146SV-4-6

1/4 × 5/8-18

3/4 .187 .97 1.65

*146SV-6-6

3/8 × 5/8-18

3/4 .281 .97 1.65

*146SV-8-8

1/2 × 3/4-16

7/8 .375

.97

1.70
** 146SV-4-4

1/4 × 7/16-20

9/16 .187 .97 1.55

** 146SV-6-6

3/8 × 5/8-18

3/4 .281 .97 1.65

*Ženska 45 SAE Flare okretna

** Ženska 37 JIC Flare Swivel

Snap-on Swivel 45 ° žensko crijevo za bljesak, 1/4 "ili 3/8" NPT muški nit, univerzalni zglob uključuje O-prsten. 146hblfsv ima ravnu nit s jedne strane i bljesak s druge. To eliminira potrebu za drugim cijevima za ugradnju za kut od 45 stupnjeva. Kompatibilan je s nehrđajućim čelikom 303, 304 i 316 SAE, kao i na gumenim crijevima ili vrtnim crijevima.
Ovaj je proizvod idealan za uske prostore, jer pruža nepropusno brtvljenje pri spajanju dvije cijevi zajedno. O-prstenovi se s vremenom neće pogoršati ili puknuti, tako da se crijevo može koristiti više puta. Također dolazi s ravnim i metričkim završetkom niti, što ga čini savršenim za razne poslove.
146SV je 1 "okretni do SAE ravne navoja 90 ° lakat. Crijevne trake i drugi adapteri dostupni su u mnogim različitim veličinama i stilovima, uključujući bodljikave ili klizanje i ravno ili 45 ° Elbove. Pojedinačne komponente mogu se ponovo koristiti, a smanjuju troškove zbrinjavanja sa starim cijevima koji su odsječeni od opreme.

Kontaktirajte s nama

Oko Legiji

Legins Industrial Machinery Inc.

Kao profesionalni kineski mesingani proizvođači i gurnuti dobavljače na priključci. Prihvaća punu obradu CNC -a i posjeduje područje radionice od 3600 četvornih metara. 45 Automatski strojni alati, 35 poluautomatski CNC strojevi, kao i distributeri, koji su postali važni dobavljači za proizvodnju američkih standardnih dijelova mesinga u Kini ...
  • čast
  • čast

Upute & Vijesti