legines.com
72# mesing muški run manir za kompresiju

72# mesing muški run manir za kompresiju

Mesinga mužjaka za kompresiju tee 71

Prijave: Tržišta:
■■ Zračne linije ■■ Industrijski
■■ Linije podmazivanja ■■ Pakiranje
■■ Rashladne linije ■■ Pneumatski
■■ Industrija ■■ Tiskanje
■■ Strojevi
■■ Kompresori
■■ Prijenos tekućine

Značajke proizvoda:
■■ Ispunjava funkcionalne zahtjeve SAE J-512
■■ UL naveden za zapaljivu tekućinu
■■ Dostupni mesing ili acetalni rukav
■■ Nema pripreme cijevi
■■ Krivotvoreni i ekstrudirani oblici

71 -171C -71A -S71

Kontaktirajte nas

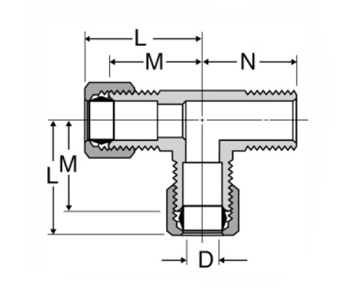
TEHNIČKI PODACI

DIO#

Tube O.D × muški nptf

M

N

D

71-3A

3/16 × 1/8

.63

.69

.125

71-4A

1/4 × 1/8

.63

.75

.188

71-4b

1/4 × 1/4

.69

.88

.188

71-5A

5/16 × 1/8

.72

.75

.250

71-5b

5/16 × 1/4

.75

.88

.250

71-6A

3/8 × 1/8

.75

.75

.312

71-6b

3/8 × 1/4

.79

.87

.312

71-6c

3/8 × 3/8

.88

1.00

.330

71-8c

1/2 × 3/8

.94

1.09

.406

71-8d

1/2 × 1/2

.97

1.19

.406

71-10d

5/8 × 1/2

1.06

1.31

.500

Naši 72# mesinganski muški run tee kompresijski priključci ispunjavaju funkcionalne zahtjeve SAE J-512 i UL su navedeni za zapaljivu tekućinu. Ovi okovi nemaju pripremu cijevi, a kovani su i ekstrudirani oblici. Dostupni su u nizu materijala, uključujući mjedeni, plastični i metalni rukav. Sadrži mjedeni ili acetalni rukav, a može se koristiti u raznim aplikacijama kao što su podvoznice, prijenosnici i sustavi za gorivo. Nije potrebna priprema cijevi.

Kontaktirajte s nama

Oko Legiji

Legins Industrial Machinery Inc.

Kao profesionalni kineski mesingani proizvođači i gurnuti dobavljače na priključci. Prihvaća punu obradu CNC -a i posjeduje područje radionice od 3600 četvornih metara. 45 Automatski strojni alati, 35 poluautomatski CNC strojevi, kao i distributeri, koji su postali važni dobavljači za proizvodnju američkih standardnih dijelova mesinga u Kini ...
  • čast
  • čast

Upute & Vijesti