legines.com
24m Presto razdjelnik

24m Presto razdjelnik

Značajke proizvoda:
■■ Mesinga
■■ Buna n o-prsten
■■ Nosač cijevi od nehrđajućeg čelika
■■ Upoznaje D.O.T. FMVSSS571.106
■■ Sastaje se sae j2494-3
■■ Kompozitno tijelo - snažno, lagano, kompaktno i otporno na udarce
■■ Konfiguracije dodataka

Tržišta:
■■ Teški kamion
■■ Prikolica
■■ Mobilan

Prijave:
■■ Zračne kočnice
■■ Tenkovi za zrak
■■ Vožnja zrakom
■■ Klizači
■■ Inflacija guma
■■ Primarne i sekundarne linije
■■ Kontrole kabine

Kontaktirajte nas

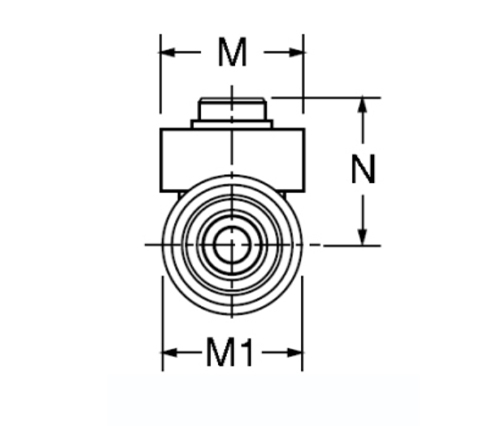
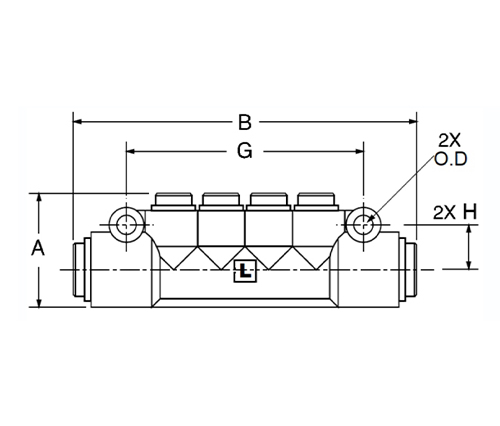
TEHNIČKI PODACI

DIO

Ne.

Tube O.D

list

Tube O.D

Izlaz

A B D G H M M1 N
24m-4-4 1/4 1/4 1.33 3.98 .21 2.75 .53 .90 .88 .89
24m-6-4 3/8 1/4 1.33 4.00 .21 2.75 .53 .90 .88 .89
24m-6-6 3/8 3/8 1.65 6.49 .22 4.55 .60 1.02 1.02 1.33
24m-8-8 1/2 1/2 1.65 6.49 .22 4.55 .60 1.02 1.02 1.33
24m-8-6-4-4-6-8 1/2 3/8 i 1/4 1.65 6.49 .22 4.55 .60 1.02 1.02 1.17

24m Presto razdjelnik izgrađen je za pružanje jednostavne, brze i pouzdane usluge. Kompozitno tijelo s jakim, laganim, otpornim na udarce i kompaktnim dizajnom pruža snagu uz smanjenje raseljenja. 24M presto razdjelnik dizajniran je tako da udovoljava D.O.T FMVSSS571.106, SAE J2494-3 Zahtjevi za primjenu visokog tlaka. Njegove mogućnosti pluta i reprodukcije omogućuju maksimalnu svestranost u bilo kojoj aplikaciji.

Kontaktirajte s nama

Oko Legiji

Legins Industrial Machinery Inc.

Kao profesionalni kineski mesingani proizvođači i gurnuti dobavljače na priključci. Prihvaća punu obradu CNC -a i posjeduje područje radionice od 3600 četvornih metara. 45 Automatski strojni alati, 35 poluautomatski CNC strojevi, kao i distributeri, koji su postali važni dobavljači za proizvodnju američkih standardnih dijelova mesinga u Kini ...
  • čast
  • čast

Upute & Vijesti