legines.com
369PTC muški lakat okretni 90 °

369PTC muški lakat okretni 90 °

Značajke proizvoda:
■■ Mesinga
■■ Buna n o-prsten
■■ Nosač cijevi od nehrđajućeg čelika
■■ Upoznaje D.O.T. FMVSSS571.106
■■ Sastaje se sae j2494-3
■■ Kompozitno tijelo - snažno, lagano, kompaktno i otporno na udarce
■■ Konfiguracije dodataka

Tržišta:
■■ Teški kamion
■■ Prikolica
■■ Mobilan

Prijave:
■■ Zračne kočnice
■■ Tenkovi za zrak
■■ Vožnja zrakom
■■ Klizači
■■ Inflacija guma
■■ Primarne i sekundarne linije
■■ Kontrole kabine

Kontaktirajte nas

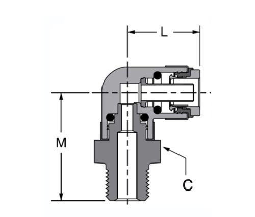
TEHNIČKI PODACI

Referentni dio br.:

DIO# Veličina cijevi x muški nptf C M L W.G Cijena
369PTC-4A 1/4 × 1/8 9/16 .69 .69
369ptc-4b 1/4 × 1/4 9/16 .69 1.20
369PTC-4C 1/4 × 3/8 9/16 .69 1.20
369PTC-6A 3/8 × 1/8 3/4 .99 1.13
369ptc-6b 3/8 × 1/4 3/4 .99 1.28
369PTC-6C 3/8 × 3/8 3/4 .99 1.28
369ptc-6d 3/8 × 1/2 3/4 .99 1.47
369ptc-8b 1/2 × 1/4 15/16 1.11 1.39
369PTC-6C 1/2 × 3/8 15/16 1.11 1.39
369ptc-6d 1/2 × 1/2 15/16 1.11 1.58
369PTC-10C 5/8 × 3/8 1-1/16 1.33 1.60
369ptc-10d 5/8 × 1/2 1-1/16 1.33 1.79
369ptc-12d 3/4 × 1/2 1-3/16 1.52 1.89
369PTC-12E 3/4x3/4 1-3/16 1.52 1.89

Muški lakat od 369ptc visokokvalitetni je, potpuno testirani okretni konektor s metalnim kolektom, buna n o-prsten i nosač cijevi od nehrđajućeg čelika. Upoznaje D.O.T. FMVSS571.106 Standardi i SAE J2494-3 Standardi za glatko 360 ° okretno djelovanje. Konfiguracije dodataka sadrže složeno tijelo-snažno, lagano, kompaktno i otporno na udarce. s

Kontaktirajte s nama

Oko Legiji

Legins Industrial Machinery Inc.

Kao profesionalni kineski mesingani proizvođači i gurnuti dobavljače na priključci. Prihvaća punu obradu CNC -a i posjeduje područje radionice od 3600 četvornih metara. 45 Automatski strojni alati, 35 poluautomatski CNC strojevi, kao i distributeri, koji su postali važni dobavljači za proizvodnju američkih standardnih dijelova mesinga u Kini ...
  • čast
  • čast

Upute & Vijesti