legines.com
3600# mesingane okovene podružnice mesingane cijevi

3600# mesingane okovene podružnice mesingane cijevi

Značajke proizvoda: Tržišta:
■■ Sva mjedena konstrukcija ■■ Industrijski
■■ Ispunjava funkcionalne zahtjeve ■■ Konstrukcija
SAE J530 i SAE J531 ■■ Teški kamion
■■ Niti izrađene prema drskim standardima ■■ Mobilan
■■ Dostupni su i oproštaji i ekstruzije ■■ Automatizacija tvornice/procesa

Aplikacije: Kompatibilne cijevi:
■■ Zračne linije ■■ Bakar
■■ Vodena linija ■■ Mesing
■■ Rashladne linije ■■ Željezna cijev

Tehnički podaci:
Raspon tlaka do 1000 psi
Raspon temperature -65 ° do 250 ° F

Tipična primjena:
Mast, goriva, lp i prirodni plin, hlađenje.instrumentacija i hidraulički sustavi

Sukladnost:
Zadovoljava specifikacije i standarde ASA, ASME i SAE.

Referentni dio br.:
2224p -3600 -T9 -x106 -226 -329 -128 -28281 ~ 28285

Kontaktirajte nas

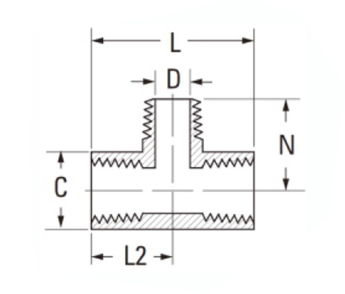
TEHNIČKI PODACI

DIO# Veličina niti C D L2 N
3600-A F1/8 × M1/8 9/16 .219 1.10 .66
3600-b F1/4 × M1/4 11/16 .315 1.56 .91
3600-c F3/8 × M3/8 13/16 .438 1.68 .97
3600-D F1/2 × M1/2 1 " .562 2.18 1.25
3600-e F3/4 × M3/4 1 "-1/4 .750 2.31 1.38

*Ref.sae br.130425

Primjerice za teške podružnice izrađene su od mesinga s jakim mjeračem, proizvedenih prema SAE J530 i SAE J531 standarda. Dostupni su i u odstupanjima i ekstruzijama, što nam daje svestranost da ponudimo široku paletu opcija za naše kupce. Izgrađene s ocjenama tlaka i temperature, ove grane su prikladne za upotrebu u gotovo bilo kojem industrijskom procesu. Obje marke cijevi mogu se uspješno koristiti s ovim ugradnjom. Naša linija bakrenih i mesinganih podružnica pruža vam vrhunsku kvalitetu i pouzdane performanse u najširem rasponu aplikacija. Naši kvalificirani inženjeri mogu vam pomoći da odaberete najbolji proizvod ili dizajnirate sustav kako biste zadovoljili vaše specifične potrebe.

Kontaktirajte s nama

Oko Legiji

Legins Industrial Machinery Inc.

Kao profesionalni kineski mesingani proizvođači i gurnuti dobavljače na priključci. Prihvaća punu obradu CNC -a i posjeduje područje radionice od 3600 četvornih metara. 45 Automatski strojni alati, 35 poluautomatski CNC strojevi, kao i distributeri, koji su postali važni dobavljači za proizvodnju američkih standardnih dijelova mesinga u Kini ...
  • čast
  • čast

Upute & Vijesti