legines.com
3350# 45 stupnjeva ulice ulice od mesinga cijevi

3350# 45 stupnjeva ulice ulice od mesinga cijevi

Značajke proizvoda: Tržišta:
■■ Sva mjedena konstrukcija ■■ Industrijski
■■ Ispunjava funkcionalne zahtjeve ■■ Konstrukcija
SAE J530 i SAE J531 ■■ Teški kamion
■■ Niti izrađene prema drskim standardima ■■ Mobilan
■■ Dostupni su i oproštaji i ekstruzije ■■ Automatizacija tvornice/procesa

Aplikacije: Kompatibilne cijevi:
■■ Zračne linije ■■ Bakar
■■ Vodena linija ■■ Mesing
■■ Rashladne linije ■■ Željezna cijev

Tehnički podaci:
Raspon tlaka do 1000 psi
Raspon temperature -65 ° do 250 ° F

Tipična primjena:
Mast, goriva, lp i prirodni plin, hlađenje.instrumentacija i hidraulički sustavi

Sukladnost:
Zadovoljava specifikacije i standarde ASA, ASME i SAE.

Referentni dio br.:
306 -3350 -2214p -224 -124A

Kontaktirajte nas

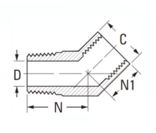
TEHNIČKI PODACI

DIO# Veličina niti C D N N1
3350-A 1/8 × 1/8 9/16 .219 .50 .38
3350-B 1/4 × 1/4 11/16 .315 .74 .56
3350-C 3/8 × 3/8 13/16 .438 .78 .56
3350-D 1/2 × 1/2 1 " .562 1.00 .76
3350-E 3/4 × 3/4 1 "-1/4 .750 1.06 .75

*Ref.sae br.130339

3350 je ulica od 45 stupnjeva u obliku lakata. Umjeravanje se koristi s raznim materijalima za cjevovode i može izdržati do 1000 psi. Također ima raspon radnog temperature između -65 ° i 250 ° F. Naši tim za tečne specifikacije od 45 stupnjeva ulice u ulici Street Street izrađuju naš tim iskusnih proizvođača. Ulični lakat je ugradnju cijevi koja na jednom kraju ima dvije navoje cijevi, a drugi kraj zavoja od 90 ° u cijevi. Ulični laktovi koriste se u mnogim različitim industrijama od vodovoda do prijevoza. Ulični laktovi izrađuju se u ženskom ili muškoj konfiguraciji kako bi se povećao protok tekućine ili plinova u nizu pritisaka, temperatura i veličina linije prema potrebi.

Kontaktirajte s nama

Oko Legiji

Legins Industrial Machinery Inc.

Kao profesionalni kineski mesingani proizvođači i gurnuti dobavljače na priključci. Prihvaća punu obradu CNC -a i posjeduje područje radionice od 3600 četvornih metara. 45 Automatski strojni alati, 35 poluautomatski CNC strojevi, kao i distributeri, koji su postali važni dobavljači za proizvodnju američkih standardnih dijelova mesinga u Kini ...
  • čast
  • čast

Upute & Vijesti