legines.com
3325# Smanjivanje cijevi za bradavicu od bradavice

3325# Smanjivanje cijevi za bradavicu od bradavice

Značajke proizvoda: Tržišta:
■■ Sva mjedena konstrukcija ■■ Industrijski
■■ Ispunjava funkcionalne zahtjeve ■■ Konstrukcija
SAE J530 i SAE J531 ■■ Teški kamion
■■ Niti izrađene prema drskim standardima ■■ Mobilan
■■ Dostupni su i oproštaji i ekstruzije ■■ Automatizacija tvornice/procesa

Aplikacije: Kompatibilne cijevi:
■■ Zračne linije ■■ Bakar
■■ Vodena linija ■■ Mesing
■■ Rashladne linije ■■ Željezna cijev

Tehnički podaci:
Raspon tlaka do 1000 psi
Raspon temperature -65 ° do 250 ° F

Tipična primjena:
Mast, goriva, lp i prirodni plin, hlađenje.instrumentacija i hidraulički sustavi

Sukladnost:
Zadovoljava specifikacije i standarde ASA, ASME i SAE.

Referentni dio br.:
216p -3325 -379 -122AH -122B

Kontaktirajte nas

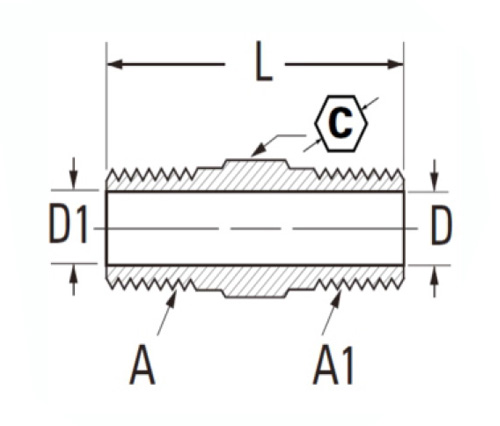
TEHNIČKI PODACI

DIO#

Veličina niti

C

D

D1

L

3325l-AA

1/8 × 1/8

7/16

.219

.219

.91

3325-AA

1/8 × 1/8

7/16

.219

.219

.97

3325l-ba

1/4 × 1/8

9/16

.219

.219

1.00

3325-BA

1/4 × 1/8

91/6

.312

.219

1.19

3325l-bb

1/4 × 1/4

9/16

.312

.312

1.12

3325-bb

1/4 × 1/4

9/16

.312

.312

1.38

3325l-ca

3/8 × 1/8

11/16

.438

.219

1.11

3325-ca

3/8 × 1/8

11/16

.438

.219

1.22

3325L-CB

3/8 × 1/4

11/16

.438

.312

1.19

3325-CB

3/8 × 1/4

11/16

.438

.312

1.41

3325L-CC

3/8 × 3/8

11/16

.438

.438

1.25

3325-CC

3/8 × 3/8

11/16

.438

.438

1.41

3325l-dB

1/2 × 1/4

7/8

.562

.319

1.34

3325-dB

1/2 × 1/4

7/8

.562

.319

1.62

3325l-dc

1/2 × 3/8

7/8

.562

.438

1.41

3325-DC

1/2 × 3/8

7/8

.562

.438

1.62

3325l-dd

1/2 × 1/2

7/8

.662

.662

1.50

3325 DD

1/2 × 1/2

7/8

.562

.562

1.81

3325-ed

3/4 × 1/2

1-1/16

.750

.562

1.50

3325-EE

3/4 × 3/4

1-1/16

.750

.750

1.96

3325-hh

1 "× 1"

1-3/8

.960

.960

2.30

* L: Svjetlo

*Ref.sae br.130137

Naša serija 3325, smanjuju cijevi za kuglu za bradavice, izrađene su od mesingane legure koja je 100% bez olova. Nudimo i odbojke i ekstruzije ovog ugradnje. Svaka bradavica proizvede se kako bi ispunila funkcionalne zahtjeve SAE J530 ili SAE J531, obje tržišta kamiona s teškim dužnostima. Krajne bradavice od 3325 serije dostupne su u nitima velikih i standardnih veličina. Ove bradavice kompatibilne su s bakrenim, mesinganim i željeznim cijevima u rasponu od ¼ do ½ ”rasporeda 40. Naši tvornički prodajni inženjeri pomoći će vam da osigurate da imate odgovarajuće uklapanje za svoj posao! Smanjenje cijevi za bradavicu od 3325 koristi se za smanjenje veličine cijevi vanjskog promjera. Serija 3325 sadrži odbojnost mesingane konstrukcije i dolazi s NACE certifikatom, kao i oznake A-607, AWS i ASME utiskanje na prednju stranu. Dostupno u različitim pritiscima do 1000 psi.
Smanjivanje cijevi za šljokice od šljokica idealno je za većinu primjena. Omogućuju kompaktne, uštede prostora i koriste se za spajanje cjevovodnih sustava. Ovi muški i ženski konektori izrađeni su od snažnih kovanih mesinganih materijala i opremljeni preciznim obrađenim nitima kako bi se osigurao gladak rad.

Kontaktirajte s nama

Oko Legiji

Legins Industrial Machinery Inc.

Kao profesionalni kineski mesingani proizvođači i gurnuti dobavljače na priključci. Prihvaća punu obradu CNC -a i posjeduje područje radionice od 3600 četvornih metara. 45 Automatski strojni alati, 35 poluautomatski CNC strojevi, kao i distributeri, koji su postali važni dobavljači za proizvodnju američkih standardnih dijelova mesinga u Kini ...
  • čast
  • čast

Upute & Vijesti