legines.com
42# SAE 45 ° Flare ženski konektor mesinga

42# SAE 45 ° Flare ženski konektor mesinga

Značajke proizvoda:
■■ Sva mjedena konstrukcija
■■ Odolijeva vibraciji korištenjem duge matice
■■ UL popis
■■ Funkcionalni zahtjevi SAE J512 i J513


Tržišta: Prijave:
■■ Hlađenje ■■ Linije rashladnih sredstava
■■ Teški kamion ■■ Propan
■■ Mobilan ■■ Goriva
■■ Industrijski ■■ Adapteri
■■ Grijanje ■■ Prirodni plin
■■ Klimatizacija

Referentni dio br.:
46 -U3 -10227-10248

Kontaktirajte nas

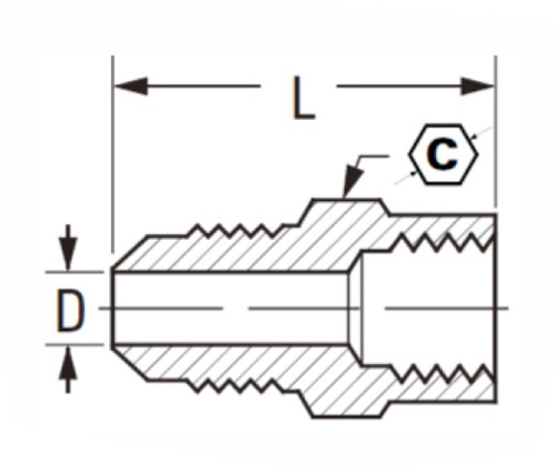
TEHNIČKI PODACI

DIO#

Bljesak o.d × nit

C

D

L

46-3A

3/16 × 1/8

9/16

.126

.58

46-4a

1/4 × 1/8

9/16

.189

.69

46-4b

1/4 × 1/4

11/16

.189

.79

46L-4B

1/4 × 1/4

11/16

.189

.88

46-4c

1/4 × 3/8

13/16

.189

1.06

46-4d

1/4 × 1/2

15/16

.189

1.31

46-5A

5/16 × 1/8

5/8

.219

1.38

46-5b

5/16 × 1/4

11/16

.219

1.44

46-5c

5/16 × 3/8

13/16

.219

1.69

46-6A

3/8 × 1/8

5/8

.282

1.88

46-6b

3/8 × 1/4

11/16

.282

1.87

46L-6B

3/8 × 1/4

13/16

.282

1.31

46-6c

3/8 × 3/8

13/16

.282

1.44

46-6d

3/8 × 1/2

1 "

.282

1.69

46L-6D

3/8 × 1/2

15/16

.282

1.44

46-8b

1/2 × 1/4

3/4

.408

1.60

46-8c

1/2 × 3/8

13/16

.408

1.62

46L-8C

1/2 × 3/8

13/16

.408

1.46

46-8d

1/2 × 1/2

1 "

.408

1.73

46L-8D

1/2 × 1/2

7/8

.408

1.62

46-8E

1/2 × 3/4

1-3/16

.408

1.75

46-10c

5/8 × 3/8

7/8

.500

1.79

46-10d

5/8 × 1/2

1 "

.500

1.98

46-12d

3/4 × 1/2

1-3/16

.625

2.17

46-12E

3/4 × 3/4

1-3/16

.625

2.08

"L" znači svjetlosni uzorak.

Ovi su okovi u potpunosti zamjenjivi s potpunim uzorkovima, ali su modificirani nesumnjivi način.

Ova je modifikacija obično u duljini navoja cijevi, koja se koristi u vodovodnim i laganim industrijskim primjenama

*Podaci o dimenziji mogu se promijeniti bez prethodne najave

*Ref.sae br.010103

Priključak SAE 45 ° Flare dizajniran je za primjene lakih do srednjih dužnosti koje zahtijevaju visoku pouzdanost. 46-U3 koristi se za maksimalni tlak od 10 000 psi pomoću gumenog crijeva nitrila s neoprenskom oblogom. Ovaj priključak ima tešku maticu koja se odupire vibraciji i proširuje vijek proizvoda. SAE muški Flare Fittitting koristi prsten za zaključavanje bajoneta koji ne zahtijeva posebne alate za zamjenu uklapanja u slučaju kvara ili održavanja.

Kontaktirajte s nama

Oko Legiji

Legins Industrial Machinery Inc.

Kao profesionalni kineski mesingani proizvođači i gurnuti dobavljače na priključci. Prihvaća punu obradu CNC -a i posjeduje područje radionice od 3600 četvornih metara. 45 Automatski strojni alati, 35 poluautomatski CNC strojevi, kao i distributeri, koji su postali važni dobavljači za proizvodnju američkih standardnih dijelova mesinga u Kini ...
  • čast
  • čast

Upute & Vijesti