legines.com
45# SAE 45 ° Flare mesing kova kovano muške grane majice

45# SAE 45 ° Flare mesing kova kovano muške grane majice

Značajke proizvoda:
■■ Sva mjedena konstrukcija
■■ Odolijeva vibraciji korištenjem duge matice
■■ UL popis
■■ Funkcionalni zahtjevi SAE J512 i J513


Tržišta: Prijave:
■■ Hlađenje ■■ Linije rashladnih sredstava
■■ Teški kamion ■■ Propan
■■ Mobilan ■■ Goriva
■■ Industrijski ■■ Adapteri
■■ Grijanje ■■ Prirodni plin
■■ Klimatizacija

Referentni dio br.:
T1 -145F -45 -10203 do 10221

Kontaktirajte nas

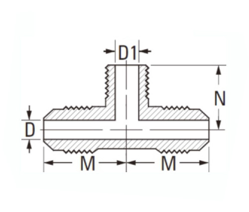
TEHNIČKI PODACI

DIO#

Flare O.D × Thared

D

M

N

45-3A

3/16 × 1/8

.126

.75

.75

45-4a

1/4 × 1/8

.189

.78

.78

45-4b

1/4 × 1/4

.189

.88

.88

45-5A

5/16 × 1/8

.219

.88

.80

45-5b

5/16 × 1/4

.219

1.00

.94

45-6b

3/8 × 1/4

.282

1.00

.94

45-6c

3/8 × 3/8

.282

1.00

1.00

45-6d

3/8 × 1/2

.282

1.12

1.12

45-8c

1/2 × 3/8

.408

1.16

1.09

45-8d

1/2 × 1/2

.408

1.22

1.22

45-1od

5/8 × 1/2

.500

1.41

1.31

45-12d

3/4 × 1/2

.625

1.63

1.59

45-12E

3/4 × 3/4

.625

1.63

1.44

*Ref.sae br.010425

45 ° Flare mesingane muške grane Tee pruža mogućnosti za vaš sustav cjevovoda. Ovi navojni okovi su univerzalni po tome što se mogu koristiti s obje strane za rad bilo s flare ili špirotnim krajevima, prema potrebi po industrijskim standardima. Svi naši proizvodi izrađeni su od mesinga i izdržljivi su i pouzdani. Jedinica je UL navedena i ispunjava funkcionalne zahtjeve SAE J512 i J513. Dodatne veličine dostupne na zahtjev.

Kontaktirajte s nama

Oko Legiji

Legins Industrial Machinery Inc.

Kao profesionalni kineski mesingani proizvođači i gurnuti dobavljače na priključci. Prihvaća punu obradu CNC -a i posjeduje područje radionice od 3600 četvornih metara. 45 Automatski strojni alati, 35 poluautomatski CNC strojevi, kao i distributeri, koji su postali važni dobavljači za proizvodnju američkih standardnih dijelova mesinga u Kini ...
  • čast
  • čast

Upute & Vijesti