legines.com
72# kompresije muške grane Tee

72# kompresije muške grane Tee

Prijave: Tržišta:
■■ Zračne linije ■■ Industrijski
■■ Linije podmazivanja ■■ Pakiranje
■■ Rashladne linije ■■ Pneumatski
■■ Industrija ■■ Tiskanje
■■ Strojevi
■■ Kompresori
■■ Prijenos tekućine

Značajke proizvoda:
■■ Ispunjava funkcionalne zahtjeve SAE J-512
■■ UL naveden za zapaljivu tekućinu
■■ Dostupni mesing ili acetalni rukav
■■ Nema pripreme cijevi
■■ Krivotvoreni i ekstrudirani oblici

Referentni dio br.:
72 -172c -S72 -72A

Kontaktirajte nas

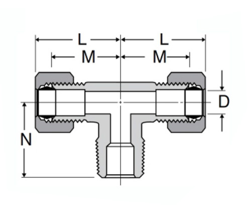
TEHNIČKI PODACI

DIO#

Tube O.D × muški nptf

M

N

D

72-3A

3/16 × 1/8

.63

.69

.125

72-4a

1/4 × 1/8

.63

.75

.188

72-4b

1/4 × 1/4

.69

.88

.188

72-5A

5/16 × 1/8

.72

.75

.250

72-5b

5/16 × 1/4

.75

.88

.250

72-6A

3/8 × 1/8

.75

.75

.312

72-6b

3/8 × 1/4

.79

.87

.312

72-6c

3/8 × 3/8

.88

1.00

.330

72-8c

1/2 × 3/8

.94

1.09

.406

72-8d

1/2 × 1/2

.97

1.19

.406

72-10d

5/8 × 1/2

1.06

1.31

.500

Svi kompresijski priključci proizvedeni su tako da ispunjavaju ili premašuju funkcionalne zahtjeve SAE J-512 i UL navedeni za zapaljivu tekućinu. Izrađuju se od aluminijske legure, mesinga ili acetala. Naši krivotvoreni i ekstrudirani oblici imaju visoki stupanj otpornosti na oštećenja koja bi se obično pojavila u konvencionalnijim okoma. Napravit ćemo bilo koji oblik koji možete zamisliti do maksimalnog promjera od 2 ”.
Kompresijska oprema za muške grane majice je ugradnju tinejdžera od 90 ° grane za upotrebu s bakrom, nehrđajućim čelikom i termoplastičnom cijevi. Lakat se okreće 360 ° kako bi se olakšalo povezivanje s teškim kutovima i cijevima za tinejdžere.

Kontaktirajte s nama

Oko Legiji

Legins Industrial Machinery Inc.

Kao profesionalni kineski mesingani proizvođači i gurnuti dobavljače na priključci. Prihvaća punu obradu CNC -a i posjeduje područje radionice od 3600 četvornih metara. 45 Automatski strojni alati, 35 poluautomatski CNC strojevi, kao i distributeri, koji su postali važni dobavljači za proizvodnju američkih standardnih dijelova mesinga u Kini ...
  • čast
  • čast

Upute & Vijesti